Главная > Подшипники> Шариковые> Упорные>BS 40/72 /S 7P62U

BS 40/72 /S 7P62U — Осевой радиально-упорный шарикоподшипник, импортное производство по ISO стандарту, размер 40x72x15 номер основного исполнения .
Производитель: SNFA.
P62 = Класс точности Р6 и радиальная очистка С2.
Цена по запросу
Цена на подшипник зависит от:
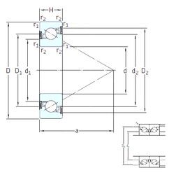
Габаритные размеры
Размеры и геометрические характеристики
Нагрузка и ресурс
Защита
Присоединительные размеры
Конструкция и исполнение
Осевой радиально-упорный шарикоподшипник 40TAB07 (NACHI)
Осевой радиально-упорный шарикоподшипник 40TAB07-2LR (NACHI)
Осевой радиально-упорный шарикоподшипник 40TAB07-2NK (NACHI)
Опорный подшипник шарико-винтовой передачи 40TAB07DB (NACHI)
Шариковый радиально-упорный подшипник однонаправленный 40TAC72B (NSK)
Опорный подшипник шарико-винтовой передачи 40TAB07DF-2NK (NACHI)