Главная > Подшипники> Шариковые> Упорные>BS 30/62 /S 7P62U

BS 30/62 /S 7P62U — Осевой радиально-упорный шарикоподшипник, импортное производство по ISO стандарту, размер 30x62x15 номер основного исполнения .
Производитель: SNFA.
P62 = Класс точности Р6 и радиальная очистка С2.
Цена по запросу
Цена на подшипник зависит от:
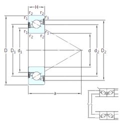
Габаритные размеры
Размеры и геометрические характеристики
Нагрузка и ресурс
Защита
Присоединительные размеры
Конструкция и исполнение
Осевой радиально-упорный шарикоподшипник 30TAB06 (NACHI)
Осевой радиально-упорный шарикоподшипник 30TAB06-2LR (NACHI)
Опорный подшипник шарико-винтовой передачи 30TAB06DF-2NK (NACHI)
Опорный подшипник шарико-винтовой передачи 30TAB06DB (NACHI)
Опорный подшипник шарико-винтовой передачи 30TAB06DB-2NK (NACHI)
Осевой радиально-упорный шарикоподшипник 30TAB06-2NK (NACHI)