Главная > Подшипники> Шариковые> Упорные>BS 260 /S 7P62U

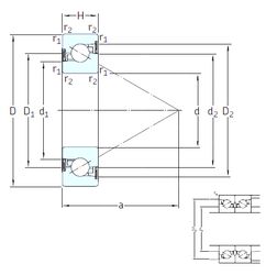
BS 260 /S 7P62U — Осевой радиально-упорный шарикоподшипник, импортное производство по ISO стандарту, размер 60x110x22 номер основного исполнения .
Производитель: SNFA.
P62 = Класс точности Р6 и радиальная очистка С2.
Цена от:213 371 р.
Цена на подшипник зависит от:
Габаритные размеры
Размеры и геометрические характеристики
Нагрузка и ресурс
Защита
Присоединительные размеры
Конструкция и исполнение
Однорядный цилиндрический роликовый подшипник NJ212 (CRAFT, FBJ, ISB, ISO, KOYO)
Однорядный цилиндрический роликовый подшипник NU212 (CRAFT, FBJ, ISB, ISO, KOYO)
Подшипник шариковый радиальный 6-212
Подшипник шариковый радиальный 4-212 (ГПЗ-3)
Подшипник роликовый сферический 20212 (FAG, ISO)