Главная > Подшипники> Шариковые> Упорные>BS 25/62 /S 7P62U

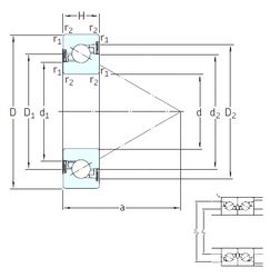
BS 25/62 /S 7P62U — Осевой радиально-упорный шарикоподшипник, импортное производство по ISO стандарту, размер 25x62x15 номер основного исполнения .
Производитель: SNFA.
P62 = Класс точности Р6 и радиальная очистка С2.
Цена по запросу
Цена на подшипник зависит от:
Габаритные размеры
Размеры и геометрические характеристики
Нагрузка и ресурс
Защита
Присоединительные размеры
Конструкция и исполнение
Подшипник роликовый радиально-упорный конический 7305
Опорный ролик 361205 (NKE)
Подшипник роликовый радиально-упорный конический 67305А
Радиальный шарикоподшипник SC05B27 (NTN)
Опорный подшипник шарико-винтовой передачи 25TAB06DB-2NK (NACHI)