Главная > Подшипники> Шариковые> Упорные>BS 225 7P62U

BS 225 7P62U — Осевой радиально-упорный шарикоподшипник, импортное производство по ISO стандарту, размер 25x52x15 номер основного исполнения .
Производитель: SNFA.
P62 = Класс точности Р6 и радиальная очистка С2.
Цена по запросу
Цена на подшипник зависит от:
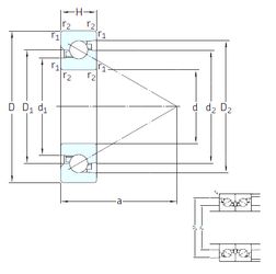
Габаритные размеры
Размеры и геометрические характеристики
Нагрузка и ресурс
Защита
Присоединительные размеры
Конструкция и исполнение
Однорядный цилиндрический роликовый подшипник NJ205 (CRAFT, FAG, FBJ, ISB, ISO)
Однорядный цилиндрический роликовый подшипник NU205 (CRAFT, FBJ, IBC, ISB, ISO)
Подшипник шариковый радиальный 6-205
Подшипник шариковый радиальный 4-205 (ГПЗ-4)
Подшипник роликовый сферический 20205 (FAG, ISO, SIGMA)