Главная > Подшипники> Шариковые> Упорные>BS 217 7P62U

BS 217 7P62U — Осевой радиально-упорный шарикоподшипник, импортное производство по ISO стандарту, размер 17x40x12 номер основного исполнения .
Производитель: SNFA.
P62 = Класс точности Р6 и радиальная очистка С2.
Цена от:6 915 р.
Цена на подшипник зависит от:
Габаритные размеры
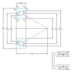
Размеры и геометрические характеристики
Нагрузка и ресурс
Защита
Присоединительные размеры
Конструкция и исполнение
Однорядный цилиндрический роликовый подшипник N203 (AST, CYSD, ISB, ISO, NACHI)
Однорядный цилиндрический роликовый подшипник NJ203 (CYSD, FAG, ISB, ISO, NACHI)
Однорядный цилиндрический роликовый подшипник NU203 (CYSD, ISB, ISO, NACHI, NIS)
Подшипник шариковый радиальный 6-203
Подшипник шариковый радиальный сферический двухрядный с цилиндрическим отверстием внутреннего кольца 5-1203 (ГПЗ-2)