Главная > Подшипники> Шариковые> Упорные>BS 20/47 /S 7P62U

BS 20/47 /S 7P62U — Осевой радиально-упорный шарикоподшипник, импортное производство по ISO стандарту, размер 20x47x15 номер основного исполнения .
Производитель: SNFA.
P62 = Класс точности Р6 и радиальная очистка С2.
Цена по запросу
Цена на подшипник зависит от:
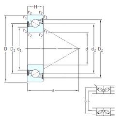
Габаритные размеры
Размеры и геометрические характеристики
Нагрузка и ресурс
Защита
Присоединительные размеры
Конструкция и исполнение
Однорядный конический роликовый подшипник 30204 (CRAFT, CYSD, FAG, FBJ, ISB)
Однорядный конический роликовый подшипник 30204 J2 (FAG)