Главная > Подшипники> Шариковые> Радиальные>BMB-6208/080S2/UB008A

BMB-6208/080S2/UB008A — Сенсорный подшипник с неподвижным наружным кольцом, импортное производство по ISO стандарту, размер 80x40x24 номер основного исполнения .
Производитель: SKF.
S2 = Кольца подшипника стабилизированы для рабочих температур до + 250 С.
Цена от:1 099 р.
Цена на подшипник зависит от:
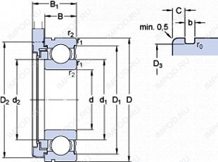
Габаритные размеры
Размеры и геометрические характеристики
Нагрузка и ресурс
Коэффициенты для расчета
Присоединительные размеры
Конструкция и исполнение
Прочие характеристики
Сенсорный подшипник с неподвижным наружным кольцом BMB-6208/080S2/UB108A (SKF)
Однорядный конический роликовый подшипник 32208 J2/Q (SKF)