Главная > Подшипники> Шариковые> Упорные>BEAS 030062-2RS

BEAS 030062-2RS — Прецизионный двойной упорно-радиальный шарикоподшипник для винтовых передач, импортное производство по ISO стандарту, размер 30x62x28 номер основного исполнения .
Производитель: SKF.
Резиновые уплотнения с каждой стороны подшипника.
Цена по запросу
Цена на подшипник зависит от:
Габаритные размеры
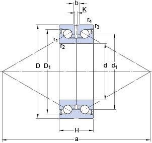
Размеры и геометрические характеристики
Нагрузка и ресурс
Присоединительные размеры
Прочие характеристики
Опорный ролик NATR 30 X (SKF)
Опорный ролик NATV 30 PPXA (SKF)
Опорный ролик NUTR 30 A (SKF)
Опорный ролик PWTR 30.2RS (SKF)
Прецизионный двойной упорно-радиальный шарикоподшипник для винтовых передач BEAS 030062-2RZ (SKF)
Шариковый радиально-упорный подшипник двойного направления ZKLN3062-2RS (INA)