Главная > Подшипники> Шариковые> Упорные>BEAS 012042-2RS

BEAS 012042-2RS — Прецизионный двойной упорно-радиальный шарикоподшипник для винтовых передач, импортное производство по ISO стандарту, размер 12x42x25 номер основного исполнения .
Производитель: SKF.
Резиновые уплотнения с каждой стороны подшипника.
Цена по запросу
Цена на подшипник зависит от:
Габаритные размеры
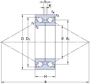
Размеры и геометрические характеристики
Нагрузка и ресурс
Присоединительные размеры
Прочие характеристики
Прецизионный двойной упорно-радиальный шарикоподшипник для винтовых передач BEAS 012042-2RZ (SKF)
Шариковый радиально-упорный подшипник двойного направления ZKLN1242-2Z (INA)
Шариковый радиально-упорный подшипник двойного направления ZKLN1242-2RS-PE (INA)
Шариковый радиально-упорный подшипник двойного направления ZKLN1242-2RS (INA)
Радиально-упорный шарикоподшипник ZKLFA1263-2RS (INA)
Радиально-упорный шарикоподшипник ZKLFA1263-2Z (INA)