Главная > Подшипники> Шариковые> Упорные>BEAM 050140-2RS

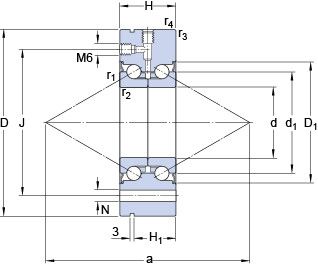
BEAM 050140-2RS — Прецизионный двойной упорно-радиальный шарикоподшипник для винтовых передач, импортное производство по ISO стандарту, размер 50x140x54 номер основного исполнения .
Производитель: SKF.
Резиновые уплотнения с каждой стороны подшипника.
Цена по запросу
Цена на подшипник зависит от:
Габаритные размеры
Размеры и геометрические характеристики
Нагрузка и ресурс
Присоединительные размеры
Конструкция и исполнение
Прочие характеристики
Прецизионный двойной упорно-радиальный шарикоподшипник для винтовых передач BEAM 050140-2RZ (SKF)
Шариковый радиально-упорный подшипник двойного направления BEAM 50/140/Z 7P60 (SNFA)
Шариковый радиально-упорный подшипник двойного направления BEAM 50/140/C 7P60 (SNFA)
Осевой радиально-упорный шарикоподшипник ZKLF50140-2Z (INA)
Осевой радиально-упорный шарикоподшипник ZKLF50140-2RS (INA)