Главная > Подшипники> Шариковые> Упорные>BEAM 040115-2RS

BEAM 040115-2RS — Прецизионный двойной упорно-радиальный шарикоподшипник для винтовых передач, импортное производство по ISO стандарту, размер 40x115x46 номер основного исполнения .
Производитель: SKF.
Резиновые уплотнения с каждой стороны подшипника.
Цена по запросу
Цена на подшипник зависит от:
Габаритные размеры
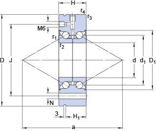
Размеры и геометрические характеристики
Нагрузка и ресурс
Присоединительные размеры
Конструкция и исполнение
Прочие характеристики
Шариковый радиально-упорный подшипник двойного направления BEAM 40/115/Z 7P60 (SNFA)
Прецизионный двойной упорно-радиальный шарикоподшипник для винтовых передач BEAM 040115-2RZ (SKF)
Шариковый радиально-упорный подшипник двойного направления BEAM 40/115/C 7P60 (SNFA)
Осевой радиально-упорный шарикоподшипник ZKLF40115-2Z (INA)
Шариковый радиально-упорный подшипник двойного направления ZKLF40115-2RS (INA)