Главная > Подшипники> Шариковые> Упорные>BEAM 030080-2RS/PE

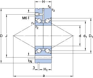
BEAM 030080-2RS/PE — Прецизионный двойной упорно-радиальный шарикоподшипник для винтовых передач, импортное производство по ISO стандарту, размер 30x80x28 номер основного исполнения .
Производитель: SKF.
Резиновые уплотнения с каждой стороны подшипника.
Цена по запросу
Цена на подшипник зависит от:
Габаритные размеры
Размеры и геометрические характеристики
Нагрузка и ресурс
Присоединительные размеры
Конструкция и исполнение
Прочие характеристики
Прецизионный двойной упорно-радиальный шарикоподшипник для винтовых передач BEAM 030080-2RS (SKF)
Прецизионный двойной упорно-радиальный шарикоподшипник для винтовых передач BEAM 030080-2RZ (SKF)
Шариковый радиально-упорный подшипник двойного направления BEAM 30/80/Z 7P60 (SNFA)
Шариковый радиально-упорный подшипник двойного направления BEAM 30/80/C SQP60 (SNFA)
Шариковый радиально-упорный подшипник двойного направления BEAM 30/80/C 7P60 (SNFA)
Шариковый радиально-упорный подшипник двойного направления ZKLF3080-2RS (INA)