Главная > Подшипники> Шариковые> Упорные>BEAM 017062-2RS/PE

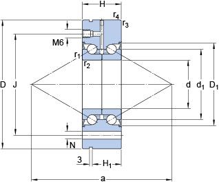
BEAM 017062-2RS/PE — Шариковый радиально-упорный подшипник двойного направления, импортное производство по ISO стандарту, размер 17x62x25 номер основного исполнения .
Производитель: SKF.
Резиновые уплотнения с каждой стороны подшипника.
Цена по запросу
Цена на подшипник зависит от:
Габаритные размеры
Размеры и геометрические характеристики
Нагрузка и ресурс
Присоединительные размеры
Конструкция и исполнение
Прочие характеристики
Шариковый радиально-упорный подшипник двойного направления BEAM 17/62/C SQP60 (SNFA)
Прецизионный двойной упорно-радиальный шарикоподшипник для винтовых передач BEAM 017062-2RS (SKF)
Шариковый радиально-упорный подшипник двойного направления BEAM 17/62/Z 7P60 (SNFA)
Прецизионный двойной упорно-радиальный шарикоподшипник для винтовых передач BEAM 017062-2RZ/PE (SKF)
Шариковый радиально-упорный подшипник двойного направления BEAM 17/62/C 7P60 (SNFA)
Прецизионный двойной упорно-радиальный шарикоподшипник для винтовых передач BEAM 017062-2RZ (SKF)