Главная > Подшипники> Шариковые> Упорные>BEAM 012055-2RS

BEAM 012055-2RS — Прецизионный двойной упорно-радиальный шарикоподшипник для винтовых передач, импортное производство по ISO стандарту, размер 12x55x25 номер основного исполнения .
Производитель: SKF.
Резиновые уплотнения с каждой стороны подшипника.
Цена по запросу
Цена на подшипник зависит от:
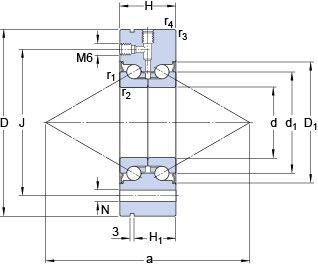
Габаритные размеры
Размеры и геометрические характеристики
Нагрузка и ресурс
Присоединительные размеры
Конструкция и исполнение
Прочие характеристики
Прецизионный двойной упорно-радиальный шарикоподшипник для винтовых передач BEAM 012055-2RZ (SKF)
Шариковый радиально-упорный подшипник двойного направления BEAM 12/55/Z 7P60 (SNFA)
Шариковый радиально-упорный подшипник двойного направления BEAM 12/55/C 7P60 (SNFA)
Осевой радиально-упорный шарикоподшипник ZKLF1255-2Z (INA)
Шариковый радиально-упорный подшипник двойного направления ZKLF1255-2RS-PE (INA)
Шариковый радиально-упорный подшипник двойного направления ZKLF1255-2RS (INA)