Главная > Подшипники> Роликовые > Игольчатые>BE385023ASY1B1-5

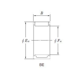
BE385023ASY1B1-5 — Подшипник игольчатый радиальный, импортное производство по ISO стандарту, размер 38x50x22 номер основного исполнения .
Производитель: KOYO.
Шайбы AS упорного игольчатого подшипника, соответствующие для AXK и K811, к DIN 5405-3 / ISO 303
Цена по запросу
Цена на подшипник зависит от:
Габаритные размеры
Размеры и геометрические характеристики
Нагрузка и ресурс
Защита
Присоединительные размеры
Конструкция и исполнение