Главная > Подшипники> Роликовые > Игольчатые>BE303920ASB1

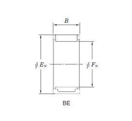
BE303920ASB1 — Подшипник игольчатый радиальный, импортное производство по ISO стандарту, размер 30x39x19 номер основного исполнения .
Производитель: KOYO.
S (Сегментное уплотнение, код 2L) = кулачковый толкатель, Camrol, герметичная версия. B = шестигранное отверстие ,заменяет шлиц отвертки в конце фланца штока.
Цена по запросу
Цена на подшипник зависит от:
Габаритные размеры
Размеры и геометрические характеристики
Нагрузка и ресурс
Защита
Присоединительные размеры
Конструкция и исполнение