Главная > Подшипники> Роликовые > Игольчатые>BE273419ASYB1-1

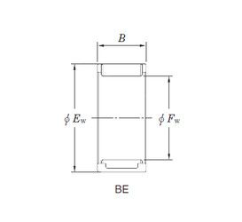
BE273419ASYB1-1 — Подшипник игольчатый радиальный, импортное производство по ISO стандарту, размер 27x34x18 номер основного исполнения .
Производитель: KOYO.
Шайбы AS упорного игольчатого подшипника, соответствующие для AXK и K811, к DIN 5405-3 / ISO 303
Цена по запросу
Цена на подшипник зависит от:
Габаритные размеры
Размеры и геометрические характеристики
Нагрузка и ресурс
Защита
Присоединительные размеры
Конструкция и исполнение