Главная > Подшипники> Роликовые > Игольчатые>BE222814ASB1

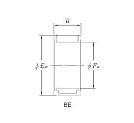
BE222814ASB1 — Подшипник игольчатый радиальный, импортное производство по ISO стандарту, размер 22x28x13 номер основного исполнения .
Производитель: KOYO.
S (Сегментное уплотнение, код 2L) = кулачковый толкатель, Camrol, герметичная версия. B = шестигранное отверстие ,заменяет шлиц отвертки в конце фланца штока.
Цена по запросу
Цена на подшипник зависит от:
Габаритные размеры
Размеры и геометрические характеристики
Нагрузка и ресурс
Защита
Присоединительные размеры
Конструкция и исполнение
Роликовый игольчатый подшипник K22x28x13 (CX, ISO, KOYO, TIMKEN)
Роликовый игольчатый подшипник KZK 22x28x13 (CX, INA, ISO, NBS)