Главная > Подшипники> Шариковые> Радиально-упорные>BA460-1

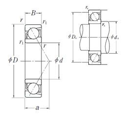
BA460-1 — Радиально-упорный шарикоподшипник, импортное производство по ISO стандарту, размер 460x540x40 номер основного исполнения .
Производитель: NSK.
Цена по запросу
Цена на подшипник зависит от:
Габаритные размеры
Размеры и геометрические характеристики
Нагрузка и ресурс
Защита
Присоединительные размеры
Конструкция и исполнение