Главная > Подшипники> Шариковые> Радиально-упорные>BA381-1

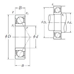
BA381-1 — Радиально-упорный шарикоподшипник, импортное производство по ISO стандарту, размер 381x540x82 номер основного исполнения .
Производитель: NSK.
Цена по запросу
Цена на подшипник зависит от:
Габаритные размеры
Размеры и геометрические характеристики
Нагрузка и ресурс
Защита
Присоединительные размеры
Конструкция и исполнение