Главная > Подшипники> Шариковые> Радиально-упорные>BA1B 311585

BA1B 311585 — однорядный радиально-упорный шарикоподшипник, импортное производство по ISO стандарту, размер 630x540x45 номер основного исполнения .
Производитель: SKF.
B = однокомпонентное ребристое внутреннее кольцо.
Цена по запросу
Цена на подшипник зависит от:
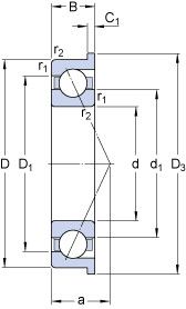
Габаритные размеры
Размеры и геометрические характеристики
Нагрузка и ресурс
Коэффициенты для расчета
Присоединительные размеры
Прочие характеристики