Главная > Подшипники> Шариковые> Радиально-упорные>B7217-E-T-P4S

B7217-E-T-P4S — Подшипник шариковый однорядный радиально-упорный, импортное производство по ISO стандарту, размер 85x150x28 номер основного исполнения 7217.
Производитель: FAG.
E = (AC-SKF) = 25 градусов угол контакта. T = (сегмент TB-Cage) = текстильная слоистая Фенольный смола, направленная по наружному кольцу. сепаратор подходит для длительной эксплуатации при температуре до 100 градусов C. P = Литой сепаратор из стеклонаполненного полиамида 6,6, центрируемый по телам качения.
Цена от:11 176 р.
Цена на подшипник зависит от:
| Обозначение | Модификация |
|---|---|
| 7217 | Основное конструктивное исполнение. |
| B7217 | |
| 7217DT | T = Механически обработанный сепаратор из текстолита, центрируемый по телам качения. |
| 7217AC | AC = Угол контакта 25 градусов. |
| 7217DF | Комплект подшипников расположенных лицом к лицу, дуплексная Х-образная пара. |
| 7217 A | A = внутренняя модификация конструкции. |
| 7217WN | W = Без кольцевой канавки и смазочных отверстий в наружном кольце. |
| 7217 C | С = Необслуживаемые концы стержней, внутренняя резьба. |
| 7217BG | B = 40 градусов угол контакта. G = Однорядный радиально-упорный шарикоподшипник для универсального парного монтажа. Два подшипника, установленные по 0-образной или Х-образной схеме, будут иметь определенный осевой зазор в домонтажном состоянии. |
| 7217DB | D = профиль наружного кольца, усовершенствованный, с увеличенной зоной несущей нагрузки и оптимизированными краевыми переходами. |
| 7217-B | B = однокомпонентное ребристое внутреннее кольцо. |
| 7217BDF | B = 40 градусов угол контакта. DF = Два однорядных радиальных шарикоподшипника, однорядных радиально-упорных шарикоподшипника или однорядных конических роликоподшипника, согласованные для монтажа по Х-образной схеме. |
| 7217CDT | С = Необслуживаемые концы стержней, внутренняя резьба. |
| 7217BGM | B = 40 градусов угол контакта. G = Однорядный радиально-упорный шарикоподшипник для универсального парного монтажа. Два подшипника, установленные по 0-образной или Х-образной схеме, будут иметь определенный осевой зазор в домонтажном состоянии. |
| 7217CPA | С = Необслуживаемые концы стержней, внутренняя резьба. |
| 7217 BDT | BD = Модифицированная внутренняя конструкция, угол контакта α = 30 градусов, без отверстия для заполнения. |
| 7217 ADB | A = Модифицированная внутренняя конструкция. DB = два однорядных радиальных шарикоподшипника, однорядные радиально-упорные шарикоподшипники или однорядные конические роликовые подшипники, подходящие для монтажа в расположении друг к другу. |
| 7217 BDB | B = 40 градусов угол контакта. DB = два однорядных радиальных шарикоподшипника, однорядные радиально-упорные шарикоподшипники или однорядные конические роликовые подшипники, подходящие для монтажа в расположении друг за другом. |
| 7217 ADF | Комплект подшипников расположенных лицом к лицу, дуплексная Х-образная пара. |
| 7217 ADT | T = Механически обработанный сепаратор из текстолита, центрируемый по телам качения. |
| 7217 BEP | Радиально-упорный шарикоподшипник с угол контакта - 40. Оптимизированная внутренняя конструкция. Сепаратор армирован стекловолокном с шаровым центром. |
| 7217 CDB | С = Необслуживаемые концы стержней, внутренняя резьба. |
| 7217 CDF | Комплект подшипников расположенных лицом к лицу, дуплексная Х-образная пара. |
| 7217 C-UX | С = Необслуживаемые концы стержней, внутренняя резьба. |
| 7217 B-UD | D = профиль наружного кольца, усовершенствованный, с увеличенной зоной несущей нагрузки и оптимизированными краевыми переходами. |
| 7217 A-UD | A = внутренняя модификация конструкции. |
| 7217 A-UX | A = внутренняя модификация конструкции. |
| 7217 B-UX | X = Внешние размеры, соответствующие международным стандартам. |
| 7217 C-UD | С = Необслуживаемые концы стержней, внутренняя резьба. |
| 7217-B-JP | B = однокомпонентное ребристое внутреннее кольцо. |
| 7217 B-UO | B = однокомпонентное ребристое внутреннее кольцо. |
| 7217CTRSU | С = Необслуживаемые концы стержней, внутренняя резьба. |
| 7217 C-UO | С = Необслуживаемые концы стержней, внутренняя резьба. |
| 7217 A-UO | A = внутренняя модификация конструкции. |
| 7217A5TRSU | Угол контакта 25 градусов. |
| 7217-BE-MP | Радиально-упорный шарикоподшипник с углом контакта 40. Оптимизированная внутренняя конструкция. Обработанный латунный сепаратор центрируемый по шарику. |
| 7217 BECBJ | BE = однорядный радиально-упорный шарикоподшипник с углом контакта 40 градусов и оптимизированной внутренней конструкцией. CB = подшипник для универсального соответствия. Два подшипника, расположенные друг за другом или лицом к лицу, будут иметь нормальный осевой внутренний зазор перед монтажом. J = Прессованный стальной сепаратор оконного типа, сферическая по центру. |
| 7217 BEGAF | A = внутренняя модификация конструкции. |
| 7217 BECBM | B = 40 градусов угол контакта. M = обработанный латунный сепаратор, расположенныйна элементах качения. |
| 7217 ATBP4 | ТВ = текстолитовый сепаратор, центрируемый по внутреннему кольцу. |
| 7217 BEGAP | Радиально-упорный шарикоподшипник с углом контакта 40. Оптимизированная внутренняя конструкция. Подшипник для универсального сопряжения. Два подшипника, расположенных вплотную друг к другу или лицом к лицу, имеют небольшой предварительный натяг. Сепаратор армирован стекловолокном. |
| 7217 CTBP4 | ТВ = текстолитовый сепаратор, центрируемый по внутреннему кольцу. |
| 7217 BECBY | ЕС = эксцентриковый фиксатор воротника с утопленным внутренним кольцом на одной стороне. |
| 7217 BECBP | ЕС = эксцентриковый фиксатор воротника с утопленным внутренним кольцом на одной стороне. |
| 7217-B-TVP | TVP = сегментный сепаратор, изготовленный из армированного стекловолокном полиамида PA66 направленная по роликам. |
| 7217-BE-TVP | E = Увеличенная грузоподъемность. TVP = (сегментная сепаратор, код P) = сплошная оконная сепаратор из армированного стекловолокном полиамида PA66. Катание на роликах. |
| 7217CG1UJ74 | J = Сепаратор стальной штампованный незакалённый. Сорт стали 7. |
| 7217HG1UJ74 | J = Сепаратор стальной штампованный незакалённый. Сорт стали 7. |
| 7217 CD/P4A | CD = 15 градусов угол контакта. P4 = Точность размеров и вращения соответствуют классу точности 4 ISO. |
| 7217CG/GNP4 | GN = нормальная предварительная нагрузка. P = Литой сепаратор из стеклонаполненного полиамида 6,6, центрируемый по телам качения. |
| Техника | Модель | Агрегат |
|---|---|---|
| КАЗ | 4540 | Мост передний |
| БелАЗ | 7522(30т) | Передача согласующая |
| БелАЗ | 7523(40т) | Передача согласующая |
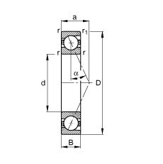
Габаритные размеры
Размеры и геометрические характеристики
Нагрузка и ресурс
Отклонение, точность вращения
Присоединительные размеры
Прочие характеристики
Однорядный цилиндрический роликовый подшипник NJ217 (CRAFT, FAG, FBJ, ISB, ISO)
Однорядный цилиндрический роликовый подшипник NU217 (CRAFT, FBJ, ISB, ISO, KOYO)
Подшипник шариковый радиальный 6-217
Подшипник роликовый сферический 20217 (FAG, ISO)
Подшипник шариковый радиальный сферический двухрядный с цилиндрическим отверстием внутреннего кольца 1217 (ГПЗ-8)
Подшипник шариковый радиальный однорядный 217