Главная > Подшипники> Шариковые> Радиально-упорные>B7216-E-T-P4S

B7216-E-T-P4S — Подшипник шариковый однорядный радиально-упорный, импортное производство по ISO стандарту, размер 80x140x26 номер основного исполнения 7216.
Производитель: FAG.
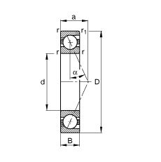
E = (AC-SKF) = 25 градусов угол контакта. T = (сегмент TB-Cage) = текстильная слоистая Фенольный смола, направленная по наружному кольцу. сепаратор подходит для длительной эксплуатации при температуре до 100 градусов C. P = Литой сепаратор из стеклонаполненного полиамида 6,6, центрируемый по телам качения.
Цена от:16 617 р.
Цена на подшипник зависит от:
| Обозначение | Модификация |
|---|---|
| 7216 | Основное конструктивное исполнение. |
| B7216 | |
| 7216AC | AC = Угол контакта 25 градусов. |
| 7216 A | A = внутренняя модификация конструкции. |
| 7216BG | B = 40 градусов угол контакта. G = Однорядный радиально-упорный шарикоподшипник для универсального парного монтажа. Два подшипника, установленные по 0-образной или Х-образной схеме, будут иметь определенный осевой зазор в домонтажном состоянии. |
| 7216WN | W = Без кольцевой канавки и смазочных отверстий в наружном кольце. |
| 7216DF | Комплект подшипников расположенных лицом к лицу, дуплексная Х-образная пара. |
| 7216 B | B = однокомпонентное ребристое внутреннее кольцо. |
| 7216DT | T = Механически обработанный сепаратор из текстолита, центрируемый по телам качения. |
| 7216DB | D = профиль наружного кольца, усовершенствованный, с увеличенной зоной несущей нагрузки и оптимизированными краевыми переходами. |
| 7216 C | С = Необслуживаемые концы стержней, внутренняя резьба. |
| 7216BEA | A = внутренняя модификация конструкции. |
| 7216 BW | B = 40 градусов угол контакта. W = стальной сепаратор. |
| 7216CPA | С = Необслуживаемые концы стержней, внутренняя резьба. |
| 7216BGM | B = 40 градусов угол контакта. G = Однорядный радиально-упорный шарикоподшипник для универсального парного монтажа. Два подшипника, установленные по 0-образной или Х-образной схеме, будут иметь определенный осевой зазор в домонтажном состоянии. |
| 7216 BDT | BD = Модифицированная внутренняя конструкция, угол контакта α = 30 градусов, без отверстия для заполнения. |
| 7216 BEP | Радиально-упорный шарикоподшипник с угол контакта - 40. Оптимизированная внутренняя конструкция. Сепаратор армирован стекловолокном с шаровым центром. |
| 7216 ADT | T = Механически обработанный сепаратор из текстолита, центрируемый по телам качения. |
| 7216 ADB | A = Модифицированная внутренняя конструкция. DB = два однорядных радиальных шарикоподшипника, однорядные радиально-упорные шарикоподшипники или однорядные конические роликовые подшипники, подходящие для монтажа в расположении друг к другу. |
| 7216 BDB | B = 40 градусов угол контакта. DB = два однорядных радиальных шарикоподшипника, однорядные радиально-упорные шарикоподшипники или однорядные конические роликовые подшипники, подходящие для монтажа в расположении друг за другом. |
| 7216 CDB | С = Необслуживаемые концы стержней, внутренняя резьба. |
| 7216 CDT | С = Необслуживаемые концы стержней, внутренняя резьба. |
| 7216 BDF | B = 40 градусов угол контакта. DF = Два однорядных радиальных шарикоподшипника, однорядных радиально-упорных шарикоподшипника или однорядных конических роликоподшипника, согласованные для монтажа по Х-образной схеме. |
| 7216 ADF | Комплект подшипников расположенных лицом к лицу, дуплексная Х-образная пара. |
| 7216 CDF | Комплект подшипников расположенных лицом к лицу, дуплексная Х-образная пара. |
| 7216 B-UD | D = профиль наружного кольца, усовершенствованный, с увеличенной зоной несущей нагрузки и оптимизированными краевыми переходами. |
| 7216 B-UX | X = Внешние размеры, соответствующие международным стандартам. |
| 7216CTRSU | С = Необслуживаемые концы стержней, внутренняя резьба. |
| 7216 B.JP | B = однокомпонентное ребристое внутреннее кольцо. |
| 7216 A-UX | A = внутренняя модификация конструкции. |
| 7216 B-UO | B = однокомпонентное ребристое внутреннее кольцо. |
| 7216 C-UX | С = Необслуживаемые концы стержней, внутренняя резьба. |
| 7216 C-UD | С = Необслуживаемые концы стержней, внутренняя резьба. |
| 7216 A-UO | A = внутренняя модификация конструкции. |
| 7216 C-UO | С = Необслуживаемые концы стержней, внутренняя резьба. |
| 7216 A-UD | A = внутренняя модификация конструкции. |
| 7216 BEGAF | A = внутренняя модификация конструкции. |
| 7216-B-TVP | TVP = сегментный сепаратор, изготовленный из армированного стекловолокном полиамида PA66 направленная по роликам. |
| 7216A5TRSU | Угол контакта 25 градусов. |
| 7216-BE-MP | Радиально-упорный шарикоподшипник с углом контакта 40. Оптимизированная внутренняя конструкция. Обработанный латунный сепаратор центрируемый по шарику. |
| 7216BEGAPH | Однорядный радиально-упорный шарикоподшипник с углом контакта - 40. Оптимизирована внутренняя конструкция. Подшипник для универсального сопряжения, по схеме спина к спине или лицо к лицу, перед монтажом будут иметь предварительный натяг. Сепаратор оконного типа, отлитый под давлением из PEEK, с центрированием по шарику. |
| 7216 CTBP4 | ТВ = текстолитовый сепаратор, центрируемый по внутреннему кольцу. |
| 7216 BECBM | B = 40 градусов угол контакта. M = обработанный латунный сепаратор, расположенныйна элементах качения. |
| 7216 BECBJ | BE = однорядный радиально-упорный шарикоподшипник с углом контакта 40 градусов и оптимизированной внутренней конструкцией. CB = подшипник для универсального соответствия. Два подшипника, расположенные друг за другом или лицом к лицу, будут иметь нормальный осевой внутренний зазор перед монтажом. J = Прессованный стальной сепаратор оконного типа, сферическая по центру. |
| 7216 BECBP | ЕС = эксцентриковый фиксатор воротника с утопленным внутренним кольцом на одной стороне. |
| 7216 BEGAM | A = внутренняя модификация конструкции. |
| 7216 ATBP4 | ТВ = текстолитовый сепаратор, центрируемый по внутреннему кольцу. |
| 7216 BEGAP | Радиально-упорный шарикоподшипник с углом контакта 40. Оптимизированная внутренняя конструкция. Подшипник для универсального сопряжения. Два подшипника, расположенных вплотную друг к другу или лицом к лицу, имеют небольшой предварительный натяг. Сепаратор армирован стекловолокном. |
| 7216 BECBY | ЕС = эксцентриковый фиксатор воротника с утопленным внутренним кольцом на одной стороне. |
| 7216-BE-TVP | E = Увеличенная грузоподъемность. TVP = (сегментная сепаратор, код P) = сплошная оконная сепаратор из армированного стекловолокном полиамида PA66. Катание на роликах. |
Габаритные размеры
Размеры и геометрические характеристики
Нагрузка и ресурс
Отклонение, точность вращения
Присоединительные размеры
Прочие характеристики
Однорядный цилиндрический роликовый подшипник NJ216 (CRAFT, FAG, FBJ, ISB, ISO)
Однорядный цилиндрический роликовый подшипник NU216 (CRAFT, FBJ, IBC, ISB, ISO)
Подшипник шариковый радиальный 6-216 (ГПЗ-3)
Подшипник роликовый радиально-упорный 32216 (ГПЗ-4)
Подшипник шариковый радиальный 4-216 (ГПЗ-3)
Подшипник роликовый сферический 20216 (FAG, ISO)