Главная > Подшипники> Шариковые> Радиально-упорные>B7213-E-2RSD-T-P4S

B7213-E-2RSD-T-P4S — Подшипник шпиндельный, импортное производство по ISO стандарту, размер 65x120x23 номер основного исполнения 7213.
Производитель: FAG.
Е = Увеличенная грузоподъемность. 2RS = шарикоподшипники с двухсторонним контактным уплотнением исполнения RS.
Цена от:12 750 р.
Цена на подшипник зависит от:
| Обозначение | Модификация |
|---|---|
| 7213 | Основное конструктивное исполнение. |
| 7213C | С = Необслуживаемые концы стержней, внутренняя резьба. |
| 7213WN | W = Без кольцевой канавки и смазочных отверстий в наружном кольце. |
| 7213DB | D = профиль наружного кольца, усовершенствованный, с увеличенной зоной несущей нагрузки и оптимизированными краевыми переходами. |
| 7213AC | AC = Угол контакта 25 градусов. |
| 7213 A | A = внутренняя модификация конструкции. |
| 7213 B | B = однокомпонентное ребристое внутреннее кольцо. |
| 7213BG | B = 40 градусов угол контакта. G = Однорядный радиально-упорный шарикоподшипник для универсального парного монтажа. Два подшипника, установленные по 0-образной или Х-образной схеме, будут иметь определенный осевой зазор в домонтажном состоянии. |
| 7213DT | T = Механически обработанный сепаратор из текстолита, центрируемый по телам качения. |
| 7213DF | Комплект подшипников расположенных лицом к лицу, дуплексная Х-образная пара. |
| 7213BA | A = внутренняя модификация конструкции. |
| 7213BGA | B = 40 градусов угол контакта. G = Однорядный радиально-упорный шарикоподшипник для универсального парного монтажа. Два подшипника, установленные по 0-образной или Х-образной схеме, будут иметь определенный осевой зазор в домонтажном состоянии. |
| 7213CPA | С = Необслуживаемые концы стержней, внутренняя резьба. |
| 7213BGM | B = 40 градусов угол контакта. G = Однорядный радиально-упорный шарикоподшипник для универсального парного монтажа. Два подшипника, установленные по 0-образной или Х-образной схеме, будут иметь определенный осевой зазор в домонтажном состоянии. |
| 7213BEY | Y = Штампованный латунный сепаратор, центрируемый по телам качения. |
| 7213BEA | A = внутренняя модификация конструкции. |
| 7213 BEJ | EJ = стальной сепаратор. |
| 7213 CDF | Комплект подшипников расположенных лицом к лицу, дуплексная Х-образная пара. |
| 7213 ADB | A = Модифицированная внутренняя конструкция. DB = два однорядных радиальных шарикоподшипника, однорядные радиально-упорные шарикоподшипники или однорядные конические роликовые подшипники, подходящие для монтажа в расположении друг к другу. |
| 7213 ADF | Комплект подшипников расположенных лицом к лицу, дуплексная Х-образная пара. |
| 7213 CDT | С = Необслуживаемые концы стержней, внутренняя резьба. |
| 7213 BDT | BD = Модифицированная внутренняя конструкция, угол контакта α = 30 градусов, без отверстия для заполнения. |
| 7213 BEP | Радиально-упорный шарикоподшипник с угол контакта - 40. Оптимизированная внутренняя конструкция. Сепаратор армирован стекловолокном с шаровым центром. |
| 7213 BDF | B = 40 градусов угол контакта. DF = Два однорядных радиальных шарикоподшипника, однорядных радиально-упорных шарикоподшипника или однорядных конических роликоподшипника, согласованные для монтажа по Х-образной схеме. |
| 7213 CDB | С = Необслуживаемые концы стержней, внутренняя резьба. |
| 7213 BDB | B = 40 градусов угол контакта. DB = два однорядных радиальных шарикоподшипника, однорядные радиально-упорные шарикоподшипники или однорядные конические роликовые подшипники, подходящие для монтажа в расположении друг за другом. |
| 7213 ADT | T = Механически обработанный сепаратор из текстолита, центрируемый по телам качения. |
| 7213 C-UX | С = Необслуживаемые концы стержней, внутренняя резьба. |
| 7213 C-UO | С = Необслуживаемые концы стержней, внутренняя резьба. |
| 7213 B-UX | X = Внешние размеры, соответствующие международным стандартам. |
| 7213 B-UO | B = однокомпонентное ребристое внутреннее кольцо. |
| 7213 A-UD | A = внутренняя модификация конструкции. |
| 7213 A-UO | A = внутренняя модификация конструкции. |
| 7213 B-UD | D = профиль наружного кольца, усовершенствованный, с увеличенной зоной несущей нагрузки и оптимизированными краевыми переходами. |
| 7213 C-UD | С = Необслуживаемые концы стержней, внутренняя резьба. |
| 7213CTRSU | С = Необслуживаемые концы стержней, внутренняя резьба. |
| 7213 A-UX | A = внутренняя модификация конструкции. |
| 7213 B.JP | B = однокомпонентное ребристое внутреннее кольцо. |
| 7213 BECBM | B = 40 градусов угол контакта. M = обработанный латунный сепаратор, расположенныйна элементах качения. |
| 7213 BECBY | ЕС = эксцентриковый фиксатор воротника с утопленным внутренним кольцом на одной стороне. |
| 7213 BECBJ | BE = однорядный радиально-упорный шарикоподшипник с углом контакта 40 градусов и оптимизированной внутренней конструкцией. CB = подшипник для универсального соответствия. Два подшипника, расположенные друг за другом или лицом к лицу, будут иметь нормальный осевой внутренний зазор перед монтажом. J = Прессованный стальной сепаратор оконного типа, сферическая по центру. |
| 7213 BECBP | ЕС = эксцентриковый фиксатор воротника с утопленным внутренним кольцом на одной стороне. |
| 7213 BEGAP | Радиально-упорный шарикоподшипник с углом контакта 40. Оптимизированная внутренняя конструкция. Подшипник для универсального сопряжения. Два подшипника, расположенных вплотную друг к другу или лицом к лицу, имеют небольшой предварительный натяг. Сепаратор армирован стекловолокном. |
| 7213 ATBP4 | ТВ = текстолитовый сепаратор, центрируемый по внутреннему кольцу. |
| 7213A5TRSU | Угол контакта 25 градусов. |
| 7213-B-TVP | TVP = сегментный сепаратор, изготовленный из армированного стекловолокном полиамида PA66 направленная по роликам. |
| 7213 CTBP4 | ТВ = текстолитовый сепаратор, центрируемый по внутреннему кольцу. |
| 7213 BEGAF | A = внутренняя модификация конструкции. |
| 7213-BE-MP | Радиально-упорный шарикоподшипник с углом контакта 40. Оптимизированная внутренняя конструкция. Обработанный латунный сепаратор центрируемый по шарику. |
| 7213 BEP.UO | Радиально-упорный шарикоподшипник с угол контакта - 40. Оптимизированная внутренняя конструкция. Сепаратор армирован стекловолокном с шаровым центром. |
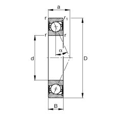
Габаритные размеры
Размеры и геометрические характеристики
Нагрузка и ресурс
Отклонение, точность вращения
Присоединительные размеры
Прочие характеристики
Однорядный цилиндрический роликовый подшипник NJ213 (CRAFT, FBJ, ISB, ISO, KOYO)
Однорядный цилиндрический роликовый подшипник NU213 (CRAFT, FAG, FBJ, ISB, ISO)
Подшипник шариковый радиальный 6-213 (ГПЗ-3)
Подшипник шариковый радиальный сферический двухрядный с цилиндрическим отверстием внутреннего кольца 5-1213 (ГПЗ-2)
Подшипник роликовый сферический 20213 (FAG, ISO)
Подшипник шариковый радиальный сферический двухрядный с цилиндрическим отверстием внутреннего кольца 1213