Главная > Подшипники> Шариковые> Радиально-упорные>B7212-E-2RSD-T-P4S

B7212-E-2RSD-T-P4S — Подшипник шпиндельный, импортное производство по ISO стандарту, размер 60x110x22 номер основного исполнения 7212.
Производитель: FAG.
Е = Увеличенная грузоподъемность. 2RS = шарикоподшипники с двухсторонним контактным уплотнением исполнения RS.
Цена от:11 504 р.
Цена на подшипник зависит от:
| Обозначение | Модификация |
|---|---|
| 7212 | Основное конструктивное исполнение. |
| B7212 | |
| 7212BA | A = внутренняя модификация конструкции. |
| 7212AC | AC = Угол контакта 25 градусов. |
| 7212BG | B = 40 градусов угол контакта. G = Однорядный радиально-упорный шарикоподшипник для универсального парного монтажа. Два подшипника, установленные по 0-образной или Х-образной схеме, будут иметь определенный осевой зазор в домонтажном состоянии. |
| 7212DB | D = профиль наружного кольца, усовершенствованный, с увеличенной зоной несущей нагрузки и оптимизированными краевыми переходами. |
| 7212DF | Комплект подшипников расположенных лицом к лицу, дуплексная Х-образная пара. |
| 7212WN | W = Без кольцевой канавки и смазочных отверстий в наружном кольце. |
| 7212 B | B = однокомпонентное ребристое внутреннее кольцо. |
| 7212 A | A = внутренняя модификация конструкции. |
| 7212DT | T = Механически обработанный сепаратор из текстолита, центрируемый по телам качения. |
| 7212 C | С = Необслуживаемые концы стержней, внутренняя резьба. |
| 7212BEA | A = внутренняя модификация конструкции. |
| 7212BGM | B = 40 градусов угол контакта. G = Однорядный радиально-упорный шарикоподшипник для универсального парного монтажа. Два подшипника, установленные по 0-образной или Х-образной схеме, будут иметь определенный осевой зазор в домонтажном состоянии. |
| 7212CPA | С = Необслуживаемые концы стержней, внутренняя резьба. |
| 7212BGA | B = 40 градусов угол контакта. G = Однорядный радиально-упорный шарикоподшипник для универсального парного монтажа. Два подшипника, установленные по 0-образной или Х-образной схеме, будут иметь определенный осевой зазор в домонтажном состоянии. |
| 7212CDT | С = Необслуживаемые концы стержней, внутренняя резьба. |
| 7212CDB | С = Необслуживаемые концы стержней, внутренняя резьба. |
| 7212 CDF | Комплект подшипников расположенных лицом к лицу, дуплексная Х-образная пара. |
| 7212 ADB | A = Модифицированная внутренняя конструкция. DB = два однорядных радиальных шарикоподшипника, однорядные радиально-упорные шарикоподшипники или однорядные конические роликовые подшипники, подходящие для монтажа в расположении друг к другу. |
| 7212 BEP | Радиально-упорный шарикоподшипник с угол контакта - 40. Оптимизированная внутренняя конструкция. Сепаратор армирован стекловолокном с шаровым центром. |
| 7212 BDB | B = 40 градусов угол контакта. DB = два однорядных радиальных шарикоподшипника, однорядные радиально-упорные шарикоподшипники или однорядные конические роликовые подшипники, подходящие для монтажа в расположении друг за другом. |
| 7212 BDT | BD = Модифицированная внутренняя конструкция, угол контакта α = 30 градусов, без отверстия для заполнения. |
| 7212 ADT | T = Механически обработанный сепаратор из текстолита, центрируемый по телам качения. |
| 7212 BDF | B = 40 градусов угол контакта. DF = Два однорядных радиальных шарикоподшипника, однорядных радиально-упорных шарикоподшипника или однорядных конических роликоподшипника, согласованные для монтажа по Х-образной схеме. |
| 7212 ADF | Комплект подшипников расположенных лицом к лицу, дуплексная Х-образная пара. |
| 7212 C-UO | С = Необслуживаемые концы стержней, внутренняя резьба. |
| 7212 C-UD | С = Необслуживаемые концы стержней, внутренняя резьба. |
| 7212BECBY | ЕС = эксцентриковый фиксатор воротника с утопленным внутренним кольцом на одной стороне. |
| 7212 C-UX | С = Необслуживаемые концы стержней, внутренняя резьба. |
| 7212-B-JP | B = однокомпонентное ребристое внутреннее кольцо. |
| 7212BECBM | B = 40 градусов угол контакта. M = обработанный латунный сепаратор, расположенныйна элементах качения. |
| 7212 A-UO | A = внутренняя модификация конструкции. |
| 7212 B-UD | D = профиль наружного кольца, усовершенствованный, с увеличенной зоной несущей нагрузки и оптимизированными краевыми переходами. |
| 7212 A-UX | A = внутренняя модификация конструкции. |
| 7212CTRSU | С = Необслуживаемые концы стержней, внутренняя резьба. |
| 7212BECBP | ЕС = эксцентриковый фиксатор воротника с утопленным внутренним кольцом на одной стороне. |
| 7212 B-UX | X = Внешние размеры, соответствующие международным стандартам. |
| 7212 B-UO | B = однокомпонентное ребристое внутреннее кольцо. |
| 7212 A-UD | A = внутренняя модификация конструкции. |
| 7212 CTBP4 | ТВ = текстолитовый сепаратор, центрируемый по внутреннему кольцу. |
| 7212-BE-MP | Радиально-упорный шарикоподшипник с углом контакта 40. Оптимизированная внутренняя конструкция. Обработанный латунный сепаратор центрируемый по шарику. |
| 7212 ATBP4 | ТВ = текстолитовый сепаратор, центрируемый по внутреннему кольцу. |
| 7212-B-TVP | TVP = сегментный сепаратор, изготовленный из армированного стекловолокном полиамида PA66 направленная по роликам. |
| 7212A5TRSU | Угол контакта 25 градусов. |
| 7212 CD/P4A | CD = 15 градусов угол контакта. P4 = Точность размеров и вращения соответствуют классу точности 4 ISO. |
| 7212-BE-TVP | E = Увеличенная грузоподъемность. TVP = (сегментная сепаратор, код P) = сплошная оконная сепаратор из армированного стекловолокном полиамида PA66. Катание на роликах. |
| 7212HG1UJ74 | J = Сепаратор стальной штампованный незакалённый. Сорт стали 7. |
| 7212 BECBPH | ЕС = эксцентриковый фиксатор воротника с утопленным внутренним кольцом на одной стороне. |
| 7212CG/GNP4 | GN = нормальная предварительная нагрузка. P = Литой сепаратор из стеклонаполненного полиамида 6,6, центрируемый по телам качения. |
| Техника | Модель | Агрегат |
|---|---|---|
| Косилка | КПС-5Г | Коробка главная |
| Трактор | МТЗ-52Л | Мост передний ведущий/дифференциал |
| Трактор | МТЗ-52 | Мост передний ведущий/дифференциал |
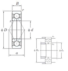
Габаритные размеры
Размеры и геометрические характеристики
Нагрузка и ресурс
Отклонение, точность вращения
Присоединительные размеры
Прочие характеристики
Однорядный цилиндрический роликовый подшипник NJ212 (CRAFT, FBJ, ISB, ISO, KOYO)
Однорядный цилиндрический роликовый подшипник NU212 (CRAFT, FBJ, ISB, ISO, KOYO)
Подшипник шариковый радиальный 6-212
Подшипник шариковый радиальный 4-212 (ГПЗ-3)
Подшипник роликовый сферический 20212 (FAG, ISO)
однорядный радиальный шарикоподшипник с пазом для ввода шариков 212