Главная > Подшипники> Шариковые> Радиально-упорные>B7211-E-T-P4S

B7211-E-T-P4S — Подшипник шариковый однорядный радиально-упорный, импортное производство по ISO стандарту, размер 55x100x21 номер основного исполнения 7211.
Производитель: FAG.
E = (AC-SKF) = 25 градусов угол контакта. T = (сегмент TB-Cage) = текстильная слоистая Фенольный смола, направленная по наружному кольцу. сепаратор подходит для длительной эксплуатации при температуре до 100 градусов C. P = Литой сепаратор из стеклонаполненного полиамида 6,6, центрируемый по телам качения.
Цена от:10 849 р.
Цена на подшипник зависит от:
| Обозначение | Модификация |
|---|---|
| 7211 | Основное конструктивное исполнение. |
| 7211DT | T = Механически обработанный сепаратор из текстолита, центрируемый по телам качения. |
| 7211AC | AC = Угол контакта 25 градусов. |
| 7211 B | B = однокомпонентное ребристое внутреннее кольцо. |
| 7211 A | A = внутренняя модификация конструкции. |
| 7211BA | A = внутренняя модификация конструкции. |
| 7211 C | С = Необслуживаемые концы стержней, внутренняя резьба. |
| 7211BG | B = 40 градусов угол контакта. G = Однорядный радиально-упорный шарикоподшипник для универсального парного монтажа. Два подшипника, установленные по 0-образной или Х-образной схеме, будут иметь определенный осевой зазор в домонтажном состоянии. |
| 7211DB | D = профиль наружного кольца, усовершенствованный, с увеличенной зоной несущей нагрузки и оптимизированными краевыми переходами. |
| 7211WN | W = Без кольцевой канавки и смазочных отверстий в наружном кольце. |
| 7211DF | Комплект подшипников расположенных лицом к лицу, дуплексная Х-образная пара. |
| 7211CPA | С = Необслуживаемые концы стержней, внутренняя резьба. |
| 7211BDF | B = 40 градусов угол контакта. DF = Два однорядных радиальных шарикоподшипника, однорядных радиально-упорных шарикоподшипника или однорядных конических роликоподшипника, согласованные для монтажа по Х-образной схеме. |
| 7211CDF | Комплект подшипников расположенных лицом к лицу, дуплексная Х-образная пара. |
| 7211BEA | A = внутренняя модификация конструкции. |
| 7211BGA | B = 40 градусов угол контакта. G = Однорядный радиально-упорный шарикоподшипник для универсального парного монтажа. Два подшипника, установленные по 0-образной или Х-образной схеме, будут иметь определенный осевой зазор в домонтажном состоянии. |
| 7211BGM | B = 40 градусов угол контакта. G = Однорядный радиально-упорный шарикоподшипник для универсального парного монтажа. Два подшипника, установленные по 0-образной или Х-образной схеме, будут иметь определенный осевой зазор в домонтажном состоянии. |
| 7211 BEP | Радиально-упорный шарикоподшипник с угол контакта - 40. Оптимизированная внутренняя конструкция. Сепаратор армирован стекловолокном с шаровым центром. |
| 7211 CDB | С = Необслуживаемые концы стержней, внутренняя резьба. |
| 7211 BDB | B = 40 градусов угол контакта. DB = два однорядных радиальных шарикоподшипника, однорядные радиально-упорные шарикоподшипники или однорядные конические роликовые подшипники, подходящие для монтажа в расположении друг за другом. |
| 7211 BDT | BD = Модифицированная внутренняя конструкция, угол контакта α = 30 градусов, без отверстия для заполнения. |
| 7211 ADB | A = Модифицированная внутренняя конструкция. DB = два однорядных радиальных шарикоподшипника, однорядные радиально-упорные шарикоподшипники или однорядные конические роликовые подшипники, подходящие для монтажа в расположении друг к другу. |
| 7211 ADF | Комплект подшипников расположенных лицом к лицу, дуплексная Х-образная пара. |
| 7211 CDT | С = Необслуживаемые концы стержней, внутренняя резьба. |
| 7211 ADT | T = Механически обработанный сепаратор из текстолита, центрируемый по телам качения. |
| 7211 B-UO | B = однокомпонентное ребристое внутреннее кольцо. |
| 7211 A-UX | A = внутренняя модификация конструкции. |
| 7211 A-UO | A = внутренняя модификация конструкции. |
| 7211 C-UD | С = Необслуживаемые концы стержней, внутренняя резьба. |
| 7211 B-UX | X = Внешние размеры, соответствующие международным стандартам. |
| 7211-B-JP | B = однокомпонентное ребристое внутреннее кольцо. |
| 7211 A-UD | A = внутренняя модификация конструкции. |
| 7211 C-UO | С = Необслуживаемые концы стержней, внутренняя резьба. |
| 7211CTRSU | С = Необслуживаемые концы стержней, внутренняя резьба. |
| 7211 C-UX | С = Необслуживаемые концы стержней, внутренняя резьба. |
| 7211 B-UD | D = профиль наружного кольца, усовершенствованный, с увеличенной зоной несущей нагрузки и оптимизированными краевыми переходами. |
| 7211 BECBM | B = 40 градусов угол контакта. M = обработанный латунный сепаратор, расположенныйна элементах качения. |
| 7211A5TRSU | Угол контакта 25 градусов. |
| 7211 BECBJ | BE = однорядный радиально-упорный шарикоподшипник с углом контакта 40 градусов и оптимизированной внутренней конструкцией. CB = подшипник для универсального соответствия. Два подшипника, расположенные друг за другом или лицом к лицу, будут иметь нормальный осевой внутренний зазор перед монтажом. J = Прессованный стальной сепаратор оконного типа, сферическая по центру. |
| 7211 BECBP | ЕС = эксцентриковый фиксатор воротника с утопленным внутренним кольцом на одной стороне. |
| 7211 BECBY | ЕС = эксцентриковый фиксатор воротника с утопленным внутренним кольцом на одной стороне. |
| 7211 BEGBY | Y = Штампованный латунный сепаратор, центрируемый по телам качения. |
| 7211-BE-MP | Радиально-упорный шарикоподшипник с углом контакта 40. Оптимизированная внутренняя конструкция. Обработанный латунный сепаратор центрируемый по шарику. |
| 7211 CTBP4 | ТВ = текстолитовый сепаратор, центрируемый по внутреннему кольцу. |
| 7211 ATBP4 | ТВ = текстолитовый сепаратор, центрируемый по внутреннему кольцу. |
| 7211BECBPH | ЕС = эксцентриковый фиксатор воротника с утопленным внутренним кольцом на одной стороне. |
| 7211-B-TVP | TVP = сегментный сепаратор, изготовленный из армированного стекловолокном полиамида PA66 направленная по роликам. |
| 7211-BE-TVP | E = Увеличенная грузоподъемность. TVP = (сегментная сепаратор, код P) = сплошная оконная сепаратор из армированного стекловолокном полиамида PA66. Катание на роликах. |
| 7211HG1UJ74 | J = Сепаратор стальной штампованный незакалённый. Сорт стали 7. |
| 7211 CD/P4A | CD = 15 градусов угол контакта. P4 = Точность размеров и вращения соответствуют классу точности 4 ISO. |
| Техника | Модель | Агрегат |
|---|---|---|
| Косилка | КПС-5Г | Коробка главная |
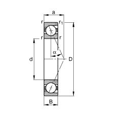
Габаритные размеры
Размеры и геометрические характеристики
Нагрузка и ресурс
Отклонение, точность вращения
Присоединительные размеры
Прочие характеристики
Однорядный цилиндрический роликовый подшипник NU211 (CRAFT, FAG, FBJ, ISB, ISO)
Подшипник шариковый радиальный 6-211 (ГПЗ-3)
Подшипник шариковый радиальный 4-211 (ГПЗ-3)
Подшипник роликовый сферический 20211 (FAG, ISO)
однорядный радиальный шарикоподшипник с пазом для ввода шариков 211
Подшипник шариковый радиальный сферический двухрядный с цилиндрическим отверстием внутреннего кольца 1211