Главная > Подшипники> Шариковые> Радиально-упорные>B7207-E-2RSD-T-P4S

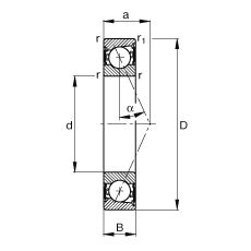
B7207-E-2RSD-T-P4S — Подшипник шпиндельный, импортное производство по ISO стандарту, размер 35x72x17 номер основного исполнения 7207.
Производитель: FAG.
Е = Увеличенная грузоподъемность. 2RS = шарикоподшипники с двухсторонним контактным уплотнением исполнения RS.
Цена от:9 930 р.
Цена на подшипник зависит от:
| Обозначение | Модификация |
|---|---|
| 7207 | Основное конструктивное исполнение. |
| 7207WN | W = Без кольцевой канавки и смазочных отверстий в наружном кольце. |
| 7207 C | С = Необслуживаемые концы стержней, внутренняя резьба. |
| 7207 B | B = однокомпонентное ребристое внутреннее кольцо. |
| 7207DF | Комплект подшипников расположенных лицом к лицу, дуплексная Х-образная пара. |
| 7207 A | A = внутренняя модификация конструкции. |
| 7207BG | B = 40 градусов угол контакта. G = Однорядный радиально-упорный шарикоподшипник для универсального парного монтажа. Два подшипника, установленные по 0-образной или Х-образной схеме, будут иметь определенный осевой зазор в домонтажном состоянии. |
| S7207B | B = однокомпонентное ребристое внутреннее кольцо. |
| 7207DB | D = профиль наружного кольца, усовершенствованный, с увеличенной зоной несущей нагрузки и оптимизированными краевыми переходами. |
| 7207DT | T = Механически обработанный сепаратор из текстолита, центрируемый по телам качения. |
| 7207AC | AC = Угол контакта 25 градусов. |
| NC7207V | V = Увеличенная грузоподъемность, внутренняя модификация конструкции. |
| 7207CPA | С = Необслуживаемые концы стержней, внутренняя резьба. |
| 7207BGA | B = 40 градусов угол контакта. G = Однорядный радиально-упорный шарикоподшипник для универсального парного монтажа. Два подшипника, установленные по 0-образной или Х-образной схеме, будут иметь определенный осевой зазор в домонтажном состоянии. |
| 7207BEA | A = внутренняя модификация конструкции. |
| 7207 ADF | Комплект подшипников расположенных лицом к лицу, дуплексная Х-образная пара. |
| 7207 ADT | T = Механически обработанный сепаратор из текстолита, центрируемый по телам качения. |
| 7207 BDF | B = 40 градусов угол контакта. DF = Два однорядных радиальных шарикоподшипника, однорядных радиально-упорных шарикоподшипника или однорядных конических роликоподшипника, согласованные для монтажа по Х-образной схеме. |
| 7207 BDT | BD = Модифицированная внутренняя конструкция, угол контакта α = 30 градусов, без отверстия для заполнения. |
| 7207 BEP | Радиально-упорный шарикоподшипник с угол контакта - 40. Оптимизированная внутренняя конструкция. Сепаратор армирован стекловолокном с шаровым центром. |
| 7207 ADB | A = Модифицированная внутренняя конструкция. DB = два однорядных радиальных шарикоподшипника, однорядные радиально-упорные шарикоподшипники или однорядные конические роликовые подшипники, подходящие для монтажа в расположении друг к другу. |
| 7207 CDB | С = Необслуживаемые концы стержней, внутренняя резьба. |
| 7207 CDF | Комплект подшипников расположенных лицом к лицу, дуплексная Х-образная пара. |
| 7207 CDT | С = Необслуживаемые концы стержней, внутренняя резьба. |
| 7207 BDB | B = 40 градусов угол контакта. DB = два однорядных радиальных шарикоподшипника, однорядные радиально-упорные шарикоподшипники или однорядные конические роликовые подшипники, подходящие для монтажа в расположении друг за другом. |
| 7207BECBP | ЕС = эксцентриковый фиксатор воротника с утопленным внутренним кольцом на одной стороне. |
| 7207-B-JP | B = однокомпонентное ребристое внутреннее кольцо. |
| 7207CTRSU | С = Необслуживаемые концы стержней, внутренняя резьба. |
| 7207 B-UD | D = профиль наружного кольца, усовершенствованный, с увеличенной зоной несущей нагрузки и оптимизированными краевыми переходами. |
| 7207 A-UO | A = внутренняя модификация конструкции. |
| 7207 A-UX | A = внутренняя модификация конструкции. |
| 7207B-2RS | Резиновые уплотнения с каждой стороны подшипника. |
| 7207 C-UO | С = Необслуживаемые концы стержней, внутренняя резьба. |
| 7207 C-UX | С = Необслуживаемые концы стержней, внутренняя резьба. |
| 7207 A-UD | A = внутренняя модификация конструкции. |
| 7207BECBY | ЕС = эксцентриковый фиксатор воротника с утопленным внутренним кольцом на одной стороне. |
| 7207 C-UD | С = Необслуживаемые концы стержней, внутренняя резьба. |
| 7207 B-UO | B = однокомпонентное ребристое внутреннее кольцо. |
| 7207 B-UX | X = Внешние размеры, соответствующие международным стандартам. |
| 7207BECBM | B = 40 градусов угол контакта. M = обработанный латунный сепаратор, расположенныйна элементах качения. |
| 7207 CTBP4 | ТВ = текстолитовый сепаратор, центрируемый по внутреннему кольцу. |
| 7207-BE-MP | Радиально-упорный шарикоподшипник с углом контакта 40. Оптимизированная внутренняя конструкция. Обработанный латунный сепаратор центрируемый по шарику. |
| 7207-B-TVP | TVP = сегментный сепаратор, изготовленный из армированного стекловолокном полиамида PA66 направленная по роликам. |
| 7207 ATBP4 | ТВ = текстолитовый сепаратор, центрируемый по внутреннему кольцу. |
| 7207A5TRSU | Угол контакта 25 градусов. |
| 7207-BE-TVP | E = Увеличенная грузоподъемность. TVP = (сегментная сепаратор, код P) = сплошная оконная сепаратор из армированного стекловолокном полиамида PA66. Катание на роликах. |
| 7207 CD/P4A | CD = 15 градусов угол контакта. P4 = Точность размеров и вращения соответствуют классу точности 4 ISO. |
| 3NC 7207 FT | T = Механически обработанный сепаратор из текстолита, центрируемый по телам качения. |
| 7207 BECBPH | ЕС = эксцентриковый фиксатор воротника с утопленным внутренним кольцом на одной стороне. |
| 7207CG/GNP4 | GN = нормальная предварительная нагрузка. P = Литой сепаратор из стеклонаполненного полиамида 6,6, центрируемый по телам качения. |
| Техника | Модель | Агрегат |
|---|---|---|
| Комбайн | КСК-100А-А1 | Тележка задняя |
| Косилка | КПС-5Г | Тележка задняя/ступица колес. опора наружная |
| Косилка | КПС-5Г | Тележка передняя/ступица колес. опора наружная |
Габаритные размеры
Размеры и геометрические характеристики
Нагрузка и ресурс
Отклонение, точность вращения
Присоединительные размеры
Прочие характеристики
Однорядный цилиндрический роликовый подшипник NJ207 (CRAFT, FAG, FBJ, ISB, ISO)
Однорядный цилиндрический роликовый подшипник NU207 (CRAFT, FBJ, IBC, ISB, ISO)
Подшипник однорядный шариковый радиальный 6 -207 (AST, CRAFT, CX, CYSD, FAG)
Подшипник роликовый сферический 20207 (FAG, ISO, SIGMA)
однорядный радиальный шарикоподшипник с пазом для ввода шариков 207
Подшипник шариковый радиальный сферический двухрядный с цилиндрическим отверстием внутреннего кольца 1207