Главная > Подшипники> Шариковые> Радиально-упорные>B7205-E-T-P4S

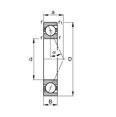
B7205-E-T-P4S — Подшипник шпиндельный, импортное производство по ISO стандарту, размер 25x52x15 номер основного исполнения 7205.
Производитель: FAG.
E = (AC-SKF) = 25 градусов угол контакта. T = (сегмент TB-Cage) = текстильная слоистая Фенольный смола, направленная по наружному кольцу. сепаратор подходит для длительной эксплуатации при температуре до 100 градусов C. P = Литой сепаратор из стеклонаполненного полиамида 6,6, центрируемый по телам качения.
Цена от:2 212 р.
Цена на подшипник зависит от:
| Обозначение | Модификация |
|---|---|
| 7205 | Основное конструктивное исполнение. |
| 7205W | W = Без кольцевой канавки и смазочных отверстий в наружном кольце. |
| B7205 | |
| 7205 C | С = Необслуживаемые концы стержней, внутренняя резьба. |
| S7205B | B = однокомпонентное ребристое внутреннее кольцо. |
| 7205 B | B = однокомпонентное ребристое внутреннее кольцо. |
| 7205WN | W = Без кольцевой канавки и смазочных отверстий в наружном кольце. |
| 7205DB | D = профиль наружного кольца, усовершенствованный, с увеличенной зоной несущей нагрузки и оптимизированными краевыми переходами. |
| 7205DF | Комплект подшипников расположенных лицом к лицу, дуплексная Х-образная пара. |
| 7205BG | B = 40 градусов угол контакта. G = Однорядный радиально-упорный шарикоподшипник для универсального парного монтажа. Два подшипника, установленные по 0-образной или Х-образной схеме, будут иметь определенный осевой зазор в домонтажном состоянии. |
| 7205 A | A = внутренняя модификация конструкции. |
| 7205DT | T = Механически обработанный сепаратор из текстолита, центрируемый по телам качения. |
| 7205AC | AC = Угол контакта 25 градусов. |
| 7205CDT | С = Необслуживаемые концы стержней, внутренняя резьба. |
| 7205CDB | С = Необслуживаемые концы стержней, внутренняя резьба. |
| 7205BGA | B = 40 градусов угол контакта. G = Однорядный радиально-упорный шарикоподшипник для универсального парного монтажа. Два подшипника, установленные по 0-образной или Х-образной схеме, будут иметь определенный осевой зазор в домонтажном состоянии. |
| 7205CDF | Комплект подшипников расположенных лицом к лицу, дуплексная Х-образная пара. |
| NC7205V | V = Увеличенная грузоподъемность, внутренняя модификация конструкции. |
| 7205CPA | С = Необслуживаемые концы стержней, внутренняя резьба. |
| 7205BEA | A = внутренняя модификация конструкции. |
| 7205 BDF | B = 40 градусов угол контакта. DF = Два однорядных радиальных шарикоподшипника, однорядных радиально-упорных шарикоподшипника или однорядных конических роликоподшипника, согласованные для монтажа по Х-образной схеме. |
| 7205 BDB | B = 40 градусов угол контакта. DB = два однорядных радиальных шарикоподшипника, однорядные радиально-упорные шарикоподшипники или однорядные конические роликовые подшипники, подходящие для монтажа в расположении друг за другом. |
| 7205 ADT | T = Механически обработанный сепаратор из текстолита, центрируемый по телам качения. |
| 7205 BDT | BD = Модифицированная внутренняя конструкция, угол контакта α = 30 градусов, без отверстия для заполнения. |
| 7205 BEP | Радиально-упорный шарикоподшипник с угол контакта - 40. Оптимизированная внутренняя конструкция. Сепаратор армирован стекловолокном с шаровым центром. |
| 7205 ADB | A = Модифицированная внутренняя конструкция. DB = два однорядных радиальных шарикоподшипника, однорядные радиально-упорные шарикоподшипники или однорядные конические роликовые подшипники, подходящие для монтажа в расположении друг к другу. |
| 7205 BEY | Y = Штампованный латунный сепаратор, центрируемый по телам качения. |
| 7205 ADF | Комплект подшипников расположенных лицом к лицу, дуплексная Х-образная пара. |
| 7205 C-UD | С = Необслуживаемые концы стержней, внутренняя резьба. |
| 7205-B-JP | B = однокомпонентное ребристое внутреннее кольцо. |
| 7205 C-UX | С = Необслуживаемые концы стержней, внутренняя резьба. |
| 7205 B-UX | X = Внешние размеры, соответствующие международным стандартам. |
| 7205CTRSU | С = Необслуживаемые концы стержней, внутренняя резьба. |
| 7205 B-UD | D = профиль наружного кольца, усовершенствованный, с увеличенной зоной несущей нагрузки и оптимизированными краевыми переходами. |
| 7205 A-UX | A = внутренняя модификация конструкции. |
| 7205B-2RS | Резиновые уплотнения с каждой стороны подшипника. |
| 7205 A-UO | A = внутренняя модификация конструкции. |
| 7205 C-UO | С = Необслуживаемые концы стержней, внутренняя резьба. |
| 7205 A-UD | A = внутренняя модификация конструкции. |
| 7205 B-UO | B = однокомпонентное ребристое внутреннее кольцо. |
| 7205CDTP5 | P5 = Подшипники 5-го класса точности DIN |
| 7205A5TRSU | Угол контакта 25 градусов. |
| 7205 BECBY | ЕС = эксцентриковый фиксатор воротника с утопленным внутренним кольцом на одной стороне. |
| 7205 ATBP4 | ТВ = текстолитовый сепаратор, центрируемый по внутреннему кольцу. |
| 7205-B-TVP | TVP = сегментный сепаратор, изготовленный из армированного стекловолокном полиамида PA66 направленная по роликам. |
| 7205 BECBP | ЕС = эксцентриковый фиксатор воротника с утопленным внутренним кольцом на одной стороне. |
| 7205 BECBM | B = 40 градусов угол контакта. M = обработанный латунный сепаратор, расположенныйна элементах качения. |
| 7205 CTBP4 | ТВ = текстолитовый сепаратор, центрируемый по внутреннему кольцу. |
| 7205-BE-MP | Радиально-упорный шарикоподшипник с углом контакта 40. Оптимизированная внутренняя конструкция. Обработанный латунный сепаратор центрируемый по шарику. |
| 7205 BECBPH | ЕС = эксцентриковый фиксатор воротника с утопленным внутренним кольцом на одной стороне. |
Габаритные размеры
Размеры и геометрические характеристики
Нагрузка и ресурс
Отклонение, точность вращения
Присоединительные размеры
Прочие характеристики
Однорядный цилиндрический роликовый подшипник NJ205 (CRAFT, FAG, FBJ, ISB, ISO)
Однорядный цилиндрический роликовый подшипник NU205 (CRAFT, FBJ, IBC, ISB, ISO)
Подшипник шариковый радиальный 6-205
Подшипник шариковый радиальный 4-205 (ГПЗ-4)
Подшипник роликовый сферический 20205 (FAG, ISO, SIGMA)
Подшипник шариковый радиальный однорядный 205