Главная > Однорядные >B7205 C.T.P4S.UL

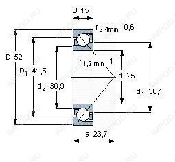
B7205 C.T.P4S.UL — Подшипник шариковый однорядный радиально-упорный, импортное производство по ISO стандарту, размер 25x52x15 номер основного исполнения 7205.
Производитель: FAG.
C = угол контакта 15 градусов. T = (сегмент TB-Cage) = текстильная слоистая Фенольный смола, направленная по наружному кольцу. сепаратор подходит для длительной эксплуатации при температуре до 100 градусов C. P4S = (4S-Precision Segment) / (P4A-SKF) = (MMV-FAF) = Граничные размеры ISO 4, Abec-7, Точность хода ISO 2, Abec-9. U = конический роликоподшипник с уменьшенными допусками по ширине.
Цена от:2 212 р.
Цена на подшипник зависит от:
| Обозначение | Модификация |
|---|---|
| 7205 | Основное конструктивное исполнение. |
| 7205W | W = Без кольцевой канавки и смазочных отверстий в наружном кольце. |
| B7205 | |
| 7205DT | T = Механически обработанный сепаратор из текстолита, центрируемый по телам качения. |
| 7205AC | AC = Угол контакта 25 градусов. |
| 7205 C | С = Необслуживаемые концы стержней, внутренняя резьба. |
| S7205B | B = однокомпонентное ребристое внутреннее кольцо. |
| 7205 B | B = однокомпонентное ребристое внутреннее кольцо. |
| 7205WN | W = Без кольцевой канавки и смазочных отверстий в наружном кольце. |
| 7205DB | D = профиль наружного кольца, усовершенствованный, с увеличенной зоной несущей нагрузки и оптимизированными краевыми переходами. |
| 7205DF | Комплект подшипников расположенных лицом к лицу, дуплексная Х-образная пара. |
| 7205BG | B = 40 градусов угол контакта. G = Однорядный радиально-упорный шарикоподшипник для универсального парного монтажа. Два подшипника, установленные по 0-образной или Х-образной схеме, будут иметь определенный осевой зазор в домонтажном состоянии. |
| 7205 A | A = внутренняя модификация конструкции. |
| 7205CDT | С = Необслуживаемые концы стержней, внутренняя резьба. |
| 7205CDB | С = Необслуживаемые концы стержней, внутренняя резьба. |
| 7205BGA | B = 40 градусов угол контакта. G = Однорядный радиально-упорный шарикоподшипник для универсального парного монтажа. Два подшипника, установленные по 0-образной или Х-образной схеме, будут иметь определенный осевой зазор в домонтажном состоянии. |
| 7205CDF | Комплект подшипников расположенных лицом к лицу, дуплексная Х-образная пара. |
| NC7205V | V = Увеличенная грузоподъемность, внутренняя модификация конструкции. |
| 7205CPA | С = Необслуживаемые концы стержней, внутренняя резьба. |
| 7205BEA | A = внутренняя модификация конструкции. |
| 7205 BDF | B = 40 градусов угол контакта. DF = Два однорядных радиальных шарикоподшипника, однорядных радиально-упорных шарикоподшипника или однорядных конических роликоподшипника, согласованные для монтажа по Х-образной схеме. |
| 7205 BDB | B = 40 градусов угол контакта. DB = два однорядных радиальных шарикоподшипника, однорядные радиально-упорные шарикоподшипники или однорядные конические роликовые подшипники, подходящие для монтажа в расположении друг за другом. |
| 7205 ADT | T = Механически обработанный сепаратор из текстолита, центрируемый по телам качения. |
| 7205 BDT | BD = Модифицированная внутренняя конструкция, угол контакта α = 30 градусов, без отверстия для заполнения. |
| 7205 BEP | Радиально-упорный шарикоподшипник с угол контакта - 40. Оптимизированная внутренняя конструкция. Сепаратор армирован стекловолокном с шаровым центром. |
| 7205 ADB | A = Модифицированная внутренняя конструкция. DB = два однорядных радиальных шарикоподшипника, однорядные радиально-упорные шарикоподшипники или однорядные конические роликовые подшипники, подходящие для монтажа в расположении друг к другу. |
| 7205 BEY | Y = Штампованный латунный сепаратор, центрируемый по телам качения. |
| 7205 ADF | Комплект подшипников расположенных лицом к лицу, дуплексная Х-образная пара. |
| 7205CDTP5 | P5 = Подшипники 5-го класса точности DIN |
| 7205 C-UD | С = Необслуживаемые концы стержней, внутренняя резьба. |
| 7205-B-JP | B = однокомпонентное ребристое внутреннее кольцо. |
| 7205 C-UX | С = Необслуживаемые концы стержней, внутренняя резьба. |
| 7205 B-UX | X = Внешние размеры, соответствующие международным стандартам. |
| 7205CTRSU | С = Необслуживаемые концы стержней, внутренняя резьба. |
| 7205 B-UD | D = профиль наружного кольца, усовершенствованный, с увеличенной зоной несущей нагрузки и оптимизированными краевыми переходами. |
| 7205 A-UX | A = внутренняя модификация конструкции. |
| 7205B-2RS | Резиновые уплотнения с каждой стороны подшипника. |
| 7205 A-UO | A = внутренняя модификация конструкции. |
| 7205 C-UO | С = Необслуживаемые концы стержней, внутренняя резьба. |
| 7205 A-UD | A = внутренняя модификация конструкции. |
| 7205 B-UO | B = однокомпонентное ребристое внутреннее кольцо. |
| 7205 CTBP4 | ТВ = текстолитовый сепаратор, центрируемый по внутреннему кольцу. |
| 7205-BE-MP | Радиально-упорный шарикоподшипник с углом контакта 40. Оптимизированная внутренняя конструкция. Обработанный латунный сепаратор центрируемый по шарику. |
| 7205A5TRSU | Угол контакта 25 градусов. |
| 7205 BECBY | ЕС = эксцентриковый фиксатор воротника с утопленным внутренним кольцом на одной стороне. |
| 7205 ATBP4 | ТВ = текстолитовый сепаратор, центрируемый по внутреннему кольцу. |
| 7205-B-TVP | TVP = сегментный сепаратор, изготовленный из армированного стекловолокном полиамида PA66 направленная по роликам. |
| 7205 BECBP | ЕС = эксцентриковый фиксатор воротника с утопленным внутренним кольцом на одной стороне. |
| 7205 BECBM | B = 40 градусов угол контакта. M = обработанный латунный сепаратор, расположенныйна элементах качения. |
| 7205 CD/P4A | CD = 15 градусов угол контакта. P4 = Точность размеров и вращения соответствуют классу точности 4 ISO. |
Габаритные размеры
Конструкция и исполнение
Однорядный цилиндрический роликовый подшипник NJ205 (CRAFT, FAG, FBJ, ISB, ISO)
Однорядный цилиндрический роликовый подшипник NU205 (CRAFT, FBJ, IBC, ISB, ISO)
Подшипник шариковый радиальный 6-205
Подшипник шариковый радиальный 4-205 (ГПЗ-4)
Подшипник роликовый сферический 20205 (FAG, ISO, SIGMA)
Подшипник шариковый радиальный однорядный 205