Главная > Подшипники> Шариковые> Радиально-упорные>B7204-E-2RSD-T-P4S

B7204-E-2RSD-T-P4S — Подшипник шариковый однорядный радиально-упорный, импортное производство по ISO стандарту, размер 20x47x14 номер основного исполнения 7204.
Производитель: FAG.
Е = Увеличенная грузоподъемность. 2RS = шарикоподшипники с двухсторонним контактным уплотнением исполнения RS.
Цена от:2 153 р.
Цена на подшипник зависит от:
| Обозначение | Модификация |
|---|---|
| 7204 | Основное конструктивное исполнение. |
| 7204W | W = Без кольцевой канавки и смазочных отверстий в наружном кольце. |
| B7204 | |
| 7204DF | Комплект подшипников расположенных лицом к лицу, дуплексная Х-образная пара. |
| 7204BA | A = внутренняя модификация конструкции. |
| 7204WN | W = Без кольцевой канавки и смазочных отверстий в наружном кольце. |
| 7204AP | A = внутренняя модификация конструкции. |
| 7204DT | T = Механически обработанный сепаратор из текстолита, центрируемый по телам качения. |
| 7204 A | A = внутренняя модификация конструкции. |
| 7204AC | AC = Угол контакта 25 градусов. |
| 7204 B | B = однокомпонентное ребристое внутреннее кольцо. |
| 7204DB | D = профиль наружного кольца, усовершенствованный, с увеличенной зоной несущей нагрузки и оптимизированными краевыми переходами. |
| 7204BG | B = 40 градусов угол контакта. G = Однорядный радиально-упорный шарикоподшипник для универсального парного монтажа. Два подшипника, установленные по 0-образной или Х-образной схеме, будут иметь определенный осевой зазор в домонтажном состоянии. |
| S7204B | B = однокомпонентное ребристое внутреннее кольцо. |
| 7204 C | С = Необслуживаемые концы стержней, внутренняя резьба. |
| NC7204V | V = Увеличенная грузоподъемность, внутренняя модификация конструкции. |
| 7204BGA | B = 40 градусов угол контакта. G = Однорядный радиально-упорный шарикоподшипник для универсального парного монтажа. Два подшипника, установленные по 0-образной или Х-образной схеме, будут иметь определенный осевой зазор в домонтажном состоянии. |
| 7204CPA | С = Необслуживаемые концы стержней, внутренняя резьба. |
| 7204BEA | A = внутренняя модификация конструкции. |
| 7204 BEP | Радиально-упорный шарикоподшипник с угол контакта - 40. Оптимизированная внутренняя конструкция. Сепаратор армирован стекловолокном с шаровым центром. |
| 7204 BDF | B = 40 градусов угол контакта. DF = Два однорядных радиальных шарикоподшипника, однорядных радиально-упорных шарикоподшипника или однорядных конических роликоподшипника, согласованные для монтажа по Х-образной схеме. |
| 7204 ADF | Комплект подшипников расположенных лицом к лицу, дуплексная Х-образная пара. |
| 7204 CDT | С = Необслуживаемые концы стержней, внутренняя резьба. |
| 7204 CDF | Комплект подшипников расположенных лицом к лицу, дуплексная Х-образная пара. |
| 7204 CDB | С = Необслуживаемые концы стержней, внутренняя резьба. |
| 7204 ADB | A = Модифицированная внутренняя конструкция. DB = два однорядных радиальных шарикоподшипника, однорядные радиально-упорные шарикоподшипники или однорядные конические роликовые подшипники, подходящие для монтажа в расположении друг к другу. |
| 7204 ADT | T = Механически обработанный сепаратор из текстолита, центрируемый по телам качения. |
| 7204 BDB | B = 40 градусов угол контакта. DB = два однорядных радиальных шарикоподшипника, однорядные радиально-упорные шарикоподшипники или однорядные конические роликовые подшипники, подходящие для монтажа в расположении друг за другом. |
| 7204 BDT | BD = Модифицированная внутренняя конструкция, угол контакта α = 30 градусов, без отверстия для заполнения. |
| 7204 A-UD | A = внутренняя модификация конструкции. |
| 7204 C-UD | С = Необслуживаемые концы стержней, внутренняя резьба. |
| 7204B-2RS | Резиновые уплотнения с каждой стороны подшипника. |
| 7204-B-JP | B = однокомпонентное ребристое внутреннее кольцо. |
| 7204CTRSU | С = Необслуживаемые концы стержней, внутренняя резьба. |
| 7204 C-UX | С = Необслуживаемые концы стержней, внутренняя резьба. |
| 7204 A-UO | A = внутренняя модификация конструкции. |
| 7204 C-UO | С = Необслуживаемые концы стержней, внутренняя резьба. |
| 7204 B-UO | B = однокомпонентное ребристое внутреннее кольцо. |
| 7204 B-UX | X = Внешние размеры, соответствующие международным стандартам. |
| 7204 A-UX | A = внутренняя модификация конструкции. |
| 7204 B-UD | D = профиль наружного кольца, усовершенствованный, с увеличенной зоной несущей нагрузки и оптимизированными краевыми переходами. |
| 7204 BECBM | B = 40 градусов угол контакта. M = обработанный латунный сепаратор, расположенныйна элементах качения. |
| 7204 BEGBP | G = Однорядный радиально-упорный шарикоподшипник для универсального парного монтажа. Два подшипника, установленные по 0-образной или Х-образной схеме, будут иметь определенный осевой зазор в домонтажном состоянии. |
| 7204 BECBJ | BE = однорядный радиально-упорный шарикоподшипник с углом контакта 40 градусов и оптимизированной внутренней конструкцией. CB = подшипник для универсального соответствия. Два подшипника, расположенные друг за другом или лицом к лицу, будут иметь нормальный осевой внутренний зазор перед монтажом. J = Прессованный стальной сепаратор оконного типа, сферическая по центру. |
| 7204-BE-MP | Радиально-упорный шарикоподшипник с углом контакта 40. Оптимизированная внутренняя конструкция. Обработанный латунный сепаратор центрируемый по шарику. |
| 7204-B-TVP | TVP = сегментный сепаратор, изготовленный из армированного стекловолокном полиамида PA66 направленная по роликам. |
| 7204A5TRSU | Угол контакта 25 градусов. |
| 7204 ATBP4 | ТВ = текстолитовый сепаратор, центрируемый по внутреннему кольцу. |
| 7204 BECBP | ЕС = эксцентриковый фиксатор воротника с утопленным внутренним кольцом на одной стороне. |
| 7204 BECBY | ЕС = эксцентриковый фиксатор воротника с утопленным внутренним кольцом на одной стороне. |
| Техника | Модель | Агрегат |
|---|---|---|
| Трактор | МТЗ-100 | Дизель/насос топливный |
| Мототехника | ИМЗ-8.103-10-40 | Первичный вал коробки передач |
| Мототехника | ИМЗ-8.107 Урал | Первичный вал коробки передач |
| Мототехника | ИМЗ-8.123-10 | Первичный вал коробки передач |
| ПАЗ | 3201 | Система охлаждения двигателя |
| ПАЗ | 3205 | Система охлаждения двигателя |
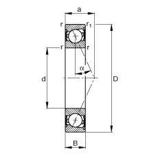
Габаритные размеры
Размеры и геометрические характеристики
Нагрузка и ресурс
Отклонение, точность вращения
Присоединительные размеры
Прочие характеристики
Однорядный цилиндрический роликовый подшипник NJ204 (CRAFT, FAG, FBJ, ISB, ISO)
Однорядный цилиндрический роликовый подшипник NU204 (CRAFT, FBJ, ISB, ISO, KOYO)
Подшипник шариковый радиально-упорный QJ204 (CX, ISO, NKE)
Подшипник шариковый радиально-упорный однорядный разъемный со съемным наружным кольцом с углом контакта 12 6204 (ГПЗ-11)
Подшипник шариковый радиальный 4-204 (ГПЗ-4)
Подшипник роликовый радиальный самоцентрирующийся 20204 (FAG, ISO, SIGMA)