Главная > Подшипники> Шариковые> Радиально-упорные>B71928-E-2RSD-T-P4S

B71928-E-2RSD-T-P4S — Подшипник шпиндельный, импортное производство по ISO стандарту, размер 140x190x24 номер основного исполнения B71928.
Производитель: FAG.
Е = Увеличенная грузоподъемность. 2RS = шарикоподшипники с двухсторонним контактным уплотнением исполнения RS.
Цена от:18 584 р.
Цена на подшипник зависит от:
| Обозначение | Модификация |
|---|---|
| B71928 | Основное конструктивное исполнение. |
| B71928-E-T-P4S | E = (AC-SKF) = 25 градусов угол контакта. T = (сегмент TB-Cage) = текстильная слоистая Фенольный смола, направленная по наружному кольцу. сепаратор подходит для длительной эксплуатации при температуре до 100 градусов C. P = Литой сепаратор из стеклонаполненного полиамида 6,6, центрируемый по телам качения. |
| B71928-C-T-P4S | T = Нейлоновая клетка, армированная стекловолокном (радиальные роликовые подшипники). P = Литой сепаратор из стеклонаполненного полиамида 6,6, центрируемый по телам качения. |
| B71928 C.T.P4S.UL | C = угол контакта 15 градусов. T = (сегмент TB-Cage) = текстильная слоистая Фенольный смола, направленная по наружному кольцу. сепаратор подходит для длительной эксплуатации при температуре до 100 градусов C. P4S = (4S-Precision Segment) / (P4A-SKF) = (MMV-FAF) = Граничные размеры ISO 4, Abec-7, Точность хода ISO 2, Abec-9. U = конический роликоподшипник с уменьшенными допусками по ширине. |
| B71928 E.T.P4S.UL | E = 25 градусов угол контакта. T = текстильная слоистая фенольная смола, направленная по наружному кольцу. Клетка подходит для длительной эксплуатации при температуре до 100 градусов C. P4S = (4S = Прецизионный сегмент) / (P4A = SKF) = (MMV = FAF) = Граничные размеры ISO 4. UL = одиночный подшипник, универсальный, легкая предварительная нагрузка. |
| B71928-C-2RSD-T-P4S | Резиновые уплотнения с каждой стороны подшипника. |
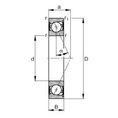
Габаритные размеры
Размеры и геометрические характеристики
Нагрузка и ресурс
Отклонение, точность вращения
Присоединительные размеры
Прочие характеристики
Подшипник шариковый радиальный однорядный 1000928
Подшипник однорядный шариковый радиальный 61928 MA.C3 (SKF)
Подшипник шариковый радиальный однорядный 1000928 Л
Подшипник шариковый радиальный 2-1000928 Л (ГПЗ-23)
Подшипник шариковый радиальный однорядный 6-1000928 ЮТ
Подшипник шариковый радиальный однорядный 6-1000928 Л (ГПЗ-1)