Главная > Подшипники> Шариковые> Радиально-упорные>B71915-E-2RSD-T-P4S

B71915-E-2RSD-T-P4S — Подшипник шпиндельный, импортное производство по ISO стандарту, размер 75x105x16 номер основного исполнения 71915.
Производитель: FAG.
Е = Увеличенная грузоподъемность. 2RS = шарикоподшипники с двухсторонним контактным уплотнением исполнения RS.
Цена от:14 126 р.
Цена на подшипник зависит от:
| Обозначение | Модификация |
|---|---|
| 71915 | Основное конструктивное исполнение. |
| B71915 | |
| 71915 A | A = внутренняя модификация конструкции. |
| 71915 C | С = Необслуживаемые концы стержней, внутренняя резьба. |
| HS71915 | |
| H71915AC | AC = Угол контакта 25 градусов. |
| 71915 CDT | С = Необслуживаемые концы стержней, внутренняя резьба. |
| 71915 CDB | С = Необслуживаемые концы стержней, внутренняя резьба. |
| 71915 CDF | Комплект подшипников расположенных лицом к лицу, дуплексная Х-образная пара. |
| 71915 C-UD | С = Необслуживаемые концы стержней, внутренняя резьба. |
| 71915 C-UX | С = Необслуживаемые концы стержней, внутренняя резьба. |
| 71915 C-UO | С = Необслуживаемые концы стержней, внутренняя резьба. |
| 71915HVUJ74 | J = Сепаратор стальной штампованный незакалённый. Сорт стали 7. |
| 71915 CTBP4 | ТВ = текстолитовый сепаратор, центрируемый по внутреннему кольцу. |
| H71915C/HQ1 | С = Необслуживаемые концы стержней, внутренняя резьба. |
| 71915 ATBP4 | ТВ = текстолитовый сепаратор, центрируемый по внутреннему кольцу. |
| 71915CVUJ74 | J = Сепаратор стальной штампованный незакалённый. Сорт стали 7. |
| 71915 CD/P4A | CD = 15 градусов угол контакта. P4 = Точность размеров и вращения соответствуют классу точности 4 ISO. |
| 71915 CE/P4A | P4 = Точность размеров и вращения соответствуют классу точности 4 ISO. |
| 71915CVDUJ74 | DU = (RS1-SKF) = Уплотнительное контактное уплотнение из акрилонитрил-бутадиеновой резины (NBR) из листовой стали на одной стороне подшипника. |
| 71915HVDUJ74 | DU = (RS1-SKF) = Уплотнительное контактное уплотнение из акрилонитрил-бутадиеновой резины (NBR) из листовой стали на одной стороне подшипника. |
| 71915 CB/P4A | P4 = Точность размеров и вращения соответствуют классу точности 4 ISO. |
| H71915AC/HQ1 | AC = Угол контакта 25 градусов. |
| 71915 CD/P4AL | CD = 15 градусов угол контакта. P4 = Точность размеров и вращения соответствуют классу точности 4 ISO. |
| S71915 CB/P4A | P4 = Точность размеров и вращения соответствуют классу точности 4 ISO. |
| 71915 CB/P4AL | P4 = Точность размеров и вращения соответствуют классу точности 4 ISO. |
| S71915 CD/P4A | CD = 15 градусов угол контакта. P4 = Точность размеров и вращения соответствуют классу точности 4 ISO. |
| 71915 ACD/P4A | ACD = Угол контакта 25 градусов. P4 = Точность конструкции P4, точность хода P4. |
| 71915 CE/P4AL | P4 = Точность размеров и вращения соответствуют классу точности 4 ISO. |
| 71915 ACE/P4A | AC = Угол контакта 25 градусов. |
| S71915 CE/P4A | P4 = Точность размеров и вращения соответствуют классу точности 4 ISO. |
| 71915 ACB/P4A | AC = Угол контакта 25 градусов. |
| ML71915CVUJ74S | J = Сепаратор стальной штампованный незакалённый. Сорт стали 7. |
| 71915 CDGA.P4A | P4 = Точность размеров и вращения соответствуют классу точности 4 ISO. |
| 71915 CD/HCP4A | P4 = Точность размеров и вращения соответствуют классу точности 4 ISO. |
| 71915 CB/HCP4A | P4 = Точность размеров и вращения соответствуют классу точности 4 ISO. |
| 71915 ACE/P4AL | AC = Угол контакта 25 градусов. |
| ML71915HVUJ74S | J = Сепаратор стальной штампованный незакалённый. Сорт стали 7. |
| 71915 CE/HCP4A | P4 = Точность размеров и вращения соответствуют классу точности 4 ISO. |
| 71915 CE/P4AH1 | P4 = Точность размеров и вращения соответствуют классу точности 4 ISO. |
| 71915 CD/P4AH1 | CD = 15 градусов угол контакта. P4 = Точность размеров и вращения соответствуют классу точности 4 ISO. |
| S71915 ACD/P4A | ACD = Угол контакта 25 градусов. P4 = Точность конструкции P4, точность хода P4. |
| 71915 ACD/P4AL | ACD = Угол контакта 25 градусов. P4 = Точность конструкции P4, точность хода P4. |
| S71915 ACB/P4A | AC = Угол контакта 25 градусов. |
| S71915 ACE/P4A | AC = Угол контакта 25 градусов. |
| B71915-C-T-P4S | T = Нейлоновая клетка, армированная стекловолокном (радиальные роликовые подшипники). P = Литой сепаратор из стеклонаполненного полиамида 6,6, центрируемый по телам качения. |
| B71915-E-T-P4S | E = (AC-SKF) = 25 градусов угол контакта. T = (сегмент TB-Cage) = текстильная слоистая Фенольный смола, направленная по наружному кольцу. сепаратор подходит для длительной эксплуатации при температуре до 100 градусов C. P = Литой сепаратор из стеклонаполненного полиамида 6,6, центрируемый по телам качения. |
| 71915 ACB/P4AL | AC = Угол контакта 25 градусов. |
| HS71915-E-T-P4S | Высокоскоростной шпиндельный подшипник. E = (AC-SKF) = 25 градусов угол контакта. T = (сегмент TB-Cage) = текстильная слоистая Фенольный смола, направленная по наружному кольцу. сепаратор подходит для длительной эксплуатации при температуре до 100 градусов C. P = Литой сепаратор из стеклонаполненного полиамида 6,6, центрируемый по телам качения. |
| 71915 CD/HCP4AL | P4 = Точность размеров и вращения соответствуют классу точности 4 ISO. |
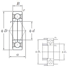
Габаритные размеры
Размеры и геометрические характеристики
Нагрузка и ресурс
Отклонение, точность вращения
Присоединительные размеры
Прочие характеристики
Подшипник однорядный шариковый радиальный 61915 (CRAFT, CX, FAG, ISB, ISO)
Подшипник шариковый радиально-упорный однорядный неразъемный со скосом на наружном кольце 1046915
Подшипник однорядный шариковый радиальный 61915 2Z (NKE, ZEN)
Подшипник однорядный шариковый радиальный 61915 2Z.C3 (NKE)
Подшипник шариковый радиальный однорядный 1000915
Подшипник шариковый радиальный однорядный 1000915 Б