Главная > Подшипники> Шариковые> Радиально-упорные>B71913-E-2RSD-T-P4S

B71913-E-2RSD-T-P4S — Подшипник шпиндельный, импортное производство по ISO стандарту, размер 65x90x13 номер основного исполнения 71913.
Производитель: FAG.
Е = Увеличенная грузоподъемность. 2RS = шарикоподшипники с двухсторонним контактным уплотнением исполнения RS.
Цена от:11 897 р.
Цена на подшипник зависит от:
| Обозначение | Модификация |
|---|---|
| 71913 | Основное конструктивное исполнение. |
| 71913 A | A = внутренняя модификация конструкции. |
| HS71913 | |
| 71913 C | С = Необслуживаемые концы стержней, внутренняя резьба. |
| 71913 CDT | С = Необслуживаемые концы стержней, внутренняя резьба. |
| 71913 CDB | С = Необслуживаемые концы стержней, внутренняя резьба. |
| 71913 CDF | Комплект подшипников расположенных лицом к лицу, дуплексная Х-образная пара. |
| 71913 C-UX | С = Необслуживаемые концы стержней, внутренняя резьба. |
| 71913 C-UD | С = Необслуживаемые концы стержней, внутренняя резьба. |
| 71913 C-UO | С = Необслуживаемые концы стержней, внутренняя резьба. |
| 71913CVUJ74 | J = Сепаратор стальной штампованный незакалённый. Сорт стали 7. |
| 71913HVUJ74 | J = Сепаратор стальной штампованный незакалённый. Сорт стали 7. |
| 71913 CTBP4 | ТВ = текстолитовый сепаратор, центрируемый по внутреннему кольцу. |
| 71913 ATBP4 | ТВ = текстолитовый сепаратор, центрируемый по внутреннему кольцу. |
| 71913HVQUJ74 | J = Сепаратор стальной штампованный незакалённый. Сорт стали 7. |
| 71913CVDUJ74 | DU = (RS1-SKF) = Уплотнительное контактное уплотнение из акрилонитрил-бутадиеновой резины (NBR) из листовой стали на одной стороне подшипника. |
| 71913 CE/P4A | P4 = Точность размеров и вращения соответствуют классу точности 4 ISO. |
| 71913HVDUJ74 | DU = (RS1-SKF) = Уплотнительное контактное уплотнение из акрилонитрил-бутадиеновой резины (NBR) из листовой стали на одной стороне подшипника. |
| 71913 CD/P4A | CD = 15 градусов угол контакта. P4 = Точность размеров и вращения соответствуют классу точности 4 ISO. |
| 71913 CB/P4A | P4 = Точность размеров и вращения соответствуют классу точности 4 ISO. |
| 71913 ACD/P4A | ACD = Угол контакта 25 градусов. P4 = Точность конструкции P4, точность хода P4. |
| 71913 CD/P4AL | CD = 15 градусов угол контакта. P4 = Точность размеров и вращения соответствуют классу точности 4 ISO. |
| S71913 CD/P4A | CD = 15 градусов угол контакта. P4 = Точность размеров и вращения соответствуют классу точности 4 ISO. |
| S71913 CB/P4A | P4 = Точность размеров и вращения соответствуют классу точности 4 ISO. |
| 71913 ACE/P4A | AC = Угол контакта 25 градусов. |
| 71913 CE/P4AL | P4 = Точность размеров и вращения соответствуют классу точности 4 ISO. |
| 71913 ACB/P4A | AC = Угол контакта 25 градусов. |
| S71913 CE/P4A | P4 = Точность размеров и вращения соответствуют классу точности 4 ISO. |
| 71913 CB/P4AL | P4 = Точность размеров и вращения соответствуют классу точности 4 ISO. |
| B71913-C-T-P4S | T = Нейлоновая клетка, армированная стекловолокном (радиальные роликовые подшипники). P = Литой сепаратор из стеклонаполненного полиамида 6,6, центрируемый по телам качения. |
| 71913 ACB/P4AL | AC = Угол контакта 25 градусов. |
| ML71913CVUJ74S | J = Сепаратор стальной штампованный незакалённый. Сорт стали 7. |
| 71913 CE/HCP4A | P4 = Точность размеров и вращения соответствуют классу точности 4 ISO. |
| ML71913HVUJ74S | J = Сепаратор стальной штампованный незакалённый. Сорт стали 7. |
| S71913 ACB/P4A | AC = Угол контакта 25 градусов. |
| 71913 CDGA.P4A | P4 = Точность размеров и вращения соответствуют классу точности 4 ISO. |
| 71913 CB/HCP4A | P4 = Точность размеров и вращения соответствуют классу точности 4 ISO. |
| 71913 CD/HCP4A | P4 = Точность размеров и вращения соответствуют классу точности 4 ISO. |
| S71913 ACD/P4A | ACD = Угол контакта 25 градусов. P4 = Точность конструкции P4, точность хода P4. |
| 71913 ACE/P4AL | AC = Угол контакта 25 градусов. |
| 71913 CE/P4AH1 | P4 = Точность размеров и вращения соответствуют классу точности 4 ISO. |
| S71913 ACE/P4A | AC = Угол контакта 25 градусов. |
| B71913-E-T-P4S | E = (AC-SKF) = 25 градусов угол контакта. T = (сегмент TB-Cage) = текстильная слоистая Фенольный смола, направленная по наружному кольцу. сепаратор подходит для длительной эксплуатации при температуре до 100 градусов C. P = Литой сепаратор из стеклонаполненного полиамида 6,6, центрируемый по телам качения. |
| 71913 ACD/HCP4A | ACD = Угол контакта 25 градусов. |
| HC71913-E-T-P4S | E = (AC-SKF) = 25 градусов угол контакта. T = (сегмент TB-Cage) = текстильная слоистая Фенольный смола, направленная по наружному кольцу. сепаратор подходит для длительной эксплуатации при температуре до 100 градусов C. P = Литой сепаратор из стеклонаполненного полиамида 6,6, центрируемый по телам качения. |
| HS71913-C-T-P4S | Высокоскоростной шпиндельный подшипник. T = Нейлоновая клетка, армированная стекловолокном (радиальные роликовые подшипники). P = Литой сепаратор из стеклонаполненного полиамида 6,6, центрируемый по телам качения. |
| 71913 ACE/P4AH1 | AC = Угол контакта 25 градусов. |
| HS71913-E-T-P4S | Высокоскоростной шпиндельный подшипник. E = (AC-SKF) = 25 градусов угол контакта. T = (сегмент TB-Cage) = текстильная слоистая Фенольный смола, направленная по наружному кольцу. сепаратор подходит для длительной эксплуатации при температуре до 100 градусов C. P = Литой сепаратор из стеклонаполненного полиамида 6,6, центрируемый по телам качения. |
| 71913 CB/HCP4AL | P4 = Точность размеров и вращения соответствуют классу точности 4 ISO. |
| ML71913HVDUJ74S | H = 25 градусов угол контакта. V = ламинированная Фенольный сепаратор с центром на наружном кольце. DU = угловой контакт подшипники в сборе с двумя подшипниками, может быть подобран DB, DF или ЮТ. J74 = точность размеров и хода по классу допуска Iso 4 (более точный, чем P5) -Abec7, 7 = легкая предварительная нагрузка. |
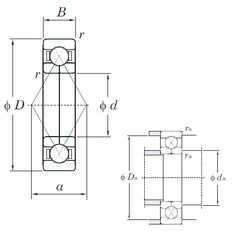
Габаритные размеры
Размеры и геометрические характеристики
Нагрузка и ресурс
Отклонение, точность вращения
Присоединительные размеры
Прочие характеристики
Подшипник однорядный шариковый радиальный 61913 (CRAFT, CX, FAG, INA, ISB)
Подшипник однорядный шариковый радиальный 61913 2Z (INA, ZEN)
Подшипник однорядный шариковый радиальный 61913 2RSR (INA)
Подшипник шариковый радиальный однорядный 1000913.2RS
Подшипник шариковый радиальный однорядный 1000913