Главная > Подшипники> Шариковые> Радиально-упорные>B71912-E-2RSD-T-P4S

B71912-E-2RSD-T-P4S — Подшипник шпиндельный, импортное производство по ISO стандарту, размер 60x85x13 номер основного исполнения 71912.
Производитель: FAG.
Е = Увеличенная грузоподъемность. 2RS = шарикоподшипники с двухсторонним контактным уплотнением исполнения RS.
Цена от:10 193 р.
Цена на подшипник зависит от:
| Обозначение | Модификация |
|---|---|
| 71912 | Основное конструктивное исполнение. |
| B71912 | |
| HS71912 | |
| 71912 A | A = внутренняя модификация конструкции. |
| 71912 C | С = Необслуживаемые концы стержней, внутренняя резьба. |
| 71912 CDF | Комплект подшипников расположенных лицом к лицу, дуплексная Х-образная пара. |
| 71912 CDB | С = Необслуживаемые концы стержней, внутренняя резьба. |
| 71912 CDT | С = Необслуживаемые концы стержней, внутренняя резьба. |
| 71912 C-UX | С = Необслуживаемые концы стержней, внутренняя резьба. |
| 71912 C-UD | С = Необслуживаемые концы стержней, внутренняя резьба. |
| 71912 C-UO | С = Необслуживаемые концы стержней, внутренняя резьба. |
| 71912 ATBP4 | ТВ = текстолитовый сепаратор, центрируемый по внутреннему кольцу. |
| 71912 CTBP4 | ТВ = текстолитовый сепаратор, центрируемый по внутреннему кольцу. |
| 71912CVUJ74 | J = Сепаратор стальной штампованный незакалённый. Сорт стали 7. |
| 71912HVUJ74 | J = Сепаратор стальной штампованный незакалённый. Сорт стали 7. |
| 71912CVDUJ74 | DU = (RS1-SKF) = Уплотнительное контактное уплотнение из акрилонитрил-бутадиеновой резины (NBR) из листовой стали на одной стороне подшипника. |
| 71912 CB/P4A | P4 = Точность размеров и вращения соответствуют классу точности 4 ISO. |
| 71912 CE/P4A | P4 = Точность размеров и вращения соответствуют классу точности 4 ISO. |
| 71912HVDUJ74 | DU = (RS1-SKF) = Уплотнительное контактное уплотнение из акрилонитрил-бутадиеновой резины (NBR) из листовой стали на одной стороне подшипника. |
| 71912 CD/P4A | CD = 15 градусов угол контакта. P4 = Точность размеров и вращения соответствуют классу точности 4 ISO. |
| 71912 CE/P4AL | P4 = Точность размеров и вращения соответствуют классу точности 4 ISO. |
| 71912 CD/P4AL | CD = 15 градусов угол контакта. P4 = Точность размеров и вращения соответствуют классу точности 4 ISO. |
| 71912 ACE/P4A | AC = Угол контакта 25 градусов. |
| 71912 CB/P4AL | P4 = Точность размеров и вращения соответствуют классу точности 4 ISO. |
| 71912 ACD/P4A | ACD = Угол контакта 25 градусов. P4 = Точность конструкции P4, точность хода P4. |
| S71912 CB/P4A | P4 = Точность размеров и вращения соответствуют классу точности 4 ISO. |
| S71912 CD/P4A | CD = 15 градусов угол контакта. P4 = Точность размеров и вращения соответствуют классу точности 4 ISO. |
| S71912 CE/P4A | P4 = Точность размеров и вращения соответствуют классу точности 4 ISO. |
| 71912 ACB/P4A | AC = Угол контакта 25 градусов. |
| 71912 ACE/P4AL | AC = Угол контакта 25 градусов. |
| 71912 ACD/P4AL | ACD = Угол контакта 25 градусов. P4 = Точность конструкции P4, точность хода P4. |
| ML71912CVUJ74S | J = Сепаратор стальной штампованный незакалённый. Сорт стали 7. |
| ML71912HVUJ74S | J = Сепаратор стальной штампованный незакалённый. Сорт стали 7. |
| S71912 ACB/P4A | AC = Угол контакта 25 градусов. |
| S71912 ACE/P4A | AC = Угол контакта 25 градусов. |
| 71912 CD/HCP4A | P4 = Точность размеров и вращения соответствуют классу точности 4 ISO. |
| 71912 CB/HCP4A | P4 = Точность размеров и вращения соответствуют классу точности 4 ISO. |
| 71912 ACB/P4AL | AC = Угол контакта 25 градусов. |
| 71912 CE/HCP4A | P4 = Точность размеров и вращения соответствуют классу точности 4 ISO. |
| S71912 ACD/P4A | ACD = Угол контакта 25 градусов. P4 = Точность конструкции P4, точность хода P4. |
| 71912 CE/P4AH1 | P4 = Точность размеров и вращения соответствуют классу точности 4 ISO. |
| B71912-C-T-P4S | T = Нейлоновая клетка, армированная стекловолокном (радиальные роликовые подшипники). P = Литой сепаратор из стеклонаполненного полиамида 6,6, центрируемый по телам качения. |
| B71912-E-T-P4S | E = (AC-SKF) = 25 градусов угол контакта. T = (сегмент TB-Cage) = текстильная слоистая Фенольный смола, направленная по наружному кольцу. сепаратор подходит для длительной эксплуатации при температуре до 100 градусов C. P = Литой сепаратор из стеклонаполненного полиамида 6,6, центрируемый по телам качения. |
| HS71912-C-T-P4S | Высокоскоростной шпиндельный подшипник. T = Нейлоновая клетка, армированная стекловолокном (радиальные роликовые подшипники). P = Литой сепаратор из стеклонаполненного полиамида 6,6, центрируемый по телам качения. |
| 71912 CB/HCP4AL | P4 = Точность размеров и вращения соответствуют классу точности 4 ISO. |
| HS71912-E-T-P4S | Высокоскоростной шпиндельный подшипник. E = (AC-SKF) = 25 градусов угол контакта. T = (сегмент TB-Cage) = текстильная слоистая Фенольный смола, направленная по наружному кольцу. сепаратор подходит для длительной эксплуатации при температуре до 100 градусов C. P = Литой сепаратор из стеклонаполненного полиамида 6,6, центрируемый по телам качения. |
| 71912 ACD/HCP4A | ACD = Угол контакта 25 градусов. |
| ML71912HVDUJ74S | H = 25 градусов угол контакта. V = ламинированная Фенольный сепаратор с центром на наружном кольце. DU = угловой контакт подшипники в сборе с двумя подшипниками, может быть подобран DB, DF или ЮТ. J74 = точность размеров и хода по классу допуска Iso 4 (более точный, чем P5) -Abec7, 7 = легкая предварительная нагрузка. |
| ML71912CVDUJ74S | DU = (RS1-SKF) = Уплотнительное контактное уплотнение из акрилонитрил-бутадиеновой резины (NBR) из листовой стали на одной стороне подшипника. |
| 71912 ACE/HCP4A | AC = Угол контакта 25 градусов. |
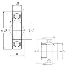
Габаритные размеры
Размеры и геометрические характеристики
Нагрузка и ресурс
Отклонение, точность вращения
Присоединительные размеры
Прочие характеристики
Подшипник однорядный шариковый радиальный 61912 (CRAFT, CX, FAG, INA, ISB)
Подшипник однорядный шариковый радиальный 61912 C3 (INA)
Подшипник однорядный шариковый радиальный 61912 2RS (CRAFT, CX, INA, ISB, ISO)
Подшипник шариковый радиальный 1000912 АЛ (ГПЗ-23)
Подшипник шариковый радиальный однорядный 1000912 Е (ГПЗ-23)