Главная > Подшипники> Шариковые> Радиально-упорные>B71910-E-2RSD-T-P4S

B71910-E-2RSD-T-P4S — Подшипник шпиндельный, импортное производство по ISO стандарту, размер 50x72x12 номер основного исполнения 71910.
Производитель: FAG.
Е = Увеличенная грузоподъемность. 2RS = шарикоподшипники с двухсторонним контактным уплотнением исполнения RS.
Цена от:9 930 р.
Цена на подшипник зависит от:
| Обозначение | Модификация |
|---|---|
| 71910 | Основное конструктивное исполнение. |
| B71910 | |
| 71910 C | С = Необслуживаемые концы стержней, внутренняя резьба. |
| HS71910 | |
| 71910 A | A = внутренняя модификация конструкции. |
| 71910 CDB | С = Необслуживаемые концы стержней, внутренняя резьба. |
| 71910 CDF | Комплект подшипников расположенных лицом к лицу, дуплексная Х-образная пара. |
| 71910 CDT | С = Необслуживаемые концы стержней, внутренняя резьба. |
| 71910 C-UX | С = Необслуживаемые концы стержней, внутренняя резьба. |
| 71910 C-UD | С = Необслуживаемые концы стержней, внутренняя резьба. |
| 71910 C-UO | С = Необслуживаемые концы стержней, внутренняя резьба. |
| 71910 ATBP4 | ТВ = текстолитовый сепаратор, центрируемый по внутреннему кольцу. |
| 71910CVUJ74 | J = Сепаратор стальной штампованный незакалённый. Сорт стали 7. |
| 71910HVUJ74 | J = Сепаратор стальной штампованный незакалённый. Сорт стали 7. |
| 71910 CTBP4 | ТВ = текстолитовый сепаратор, центрируемый по внутреннему кольцу. |
| 71910 CE/P4A | P4 = Точность размеров и вращения соответствуют классу точности 4 ISO. |
| 71910CVDUJ74 | DU = (RS1-SKF) = Уплотнительное контактное уплотнение из акрилонитрил-бутадиеновой резины (NBR) из листовой стали на одной стороне подшипника. |
| 71910 CD/P4A | CD = 15 градусов угол контакта. P4 = Точность размеров и вращения соответствуют классу точности 4 ISO. |
| 71910HVDUJ74 | DU = (RS1-SKF) = Уплотнительное контактное уплотнение из акрилонитрил-бутадиеновой резины (NBR) из листовой стали на одной стороне подшипника. |
| 71910 CB/P4A | P4 = Точность размеров и вращения соответствуют классу точности 4 ISO. |
| 71910 ACE/P4A | AC = Угол контакта 25 градусов. |
| S71910 CB/P4A | P4 = Точность размеров и вращения соответствуют классу точности 4 ISO. |
| 71910 ACD/P4A | ACD = Угол контакта 25 градусов. P4 = Точность конструкции P4, точность хода P4. |
| 71910 ACB/P4A | AC = Угол контакта 25 градусов. |
| S71910 CE/P4A | P4 = Точность размеров и вращения соответствуют классу точности 4 ISO. |
| 71910 CE/P4AL | P4 = Точность размеров и вращения соответствуют классу точности 4 ISO. |
| 71910CDGA.P4A | P4 = Точность размеров и вращения соответствуют классу точности 4 ISO. |
| 71910 CB/P4AL | P4 = Точность размеров и вращения соответствуют классу точности 4 ISO. |
| S71910 CD/P4A | CD = 15 градусов угол контакта. P4 = Точность размеров и вращения соответствуют классу точности 4 ISO. |
| 71910 CE/HCP4A | P4 = Точность размеров и вращения соответствуют классу точности 4 ISO. |
| 71910 ACE/P4AL | AC = Угол контакта 25 градусов. |
| S71910 ACD/P4A | ACD = Угол контакта 25 градусов. P4 = Точность конструкции P4, точность хода P4. |
| B71910-E-T-P4S | E = (AC-SKF) = 25 градусов угол контакта. T = (сегмент TB-Cage) = текстильная слоистая Фенольный смола, направленная по наружному кольцу. сепаратор подходит для длительной эксплуатации при температуре до 100 градусов C. P = Литой сепаратор из стеклонаполненного полиамида 6,6, центрируемый по телам качения. |
| B71910-C-T-P4S | T = Нейлоновая клетка, армированная стекловолокном (радиальные роликовые подшипники). P = Литой сепаратор из стеклонаполненного полиамида 6,6, центрируемый по телам качения. |
| 71910 ACB/P4AL | AC = Угол контакта 25 градусов. |
| 71910 CD/HCP4A | P4 = Точность размеров и вращения соответствуют классу точности 4 ISO. |
| ML71910HVUJ74S | J = Сепаратор стальной штампованный незакалённый. Сорт стали 7. |
| ML71910CVUJ74S | J = Сепаратор стальной штампованный незакалённый. Сорт стали 7. |
| 71910 CE/P4AH1 | P4 = Точность размеров и вращения соответствуют классу точности 4 ISO. |
| 71910 CB/HCP4A | P4 = Точность размеров и вращения соответствуют классу точности 4 ISO. |
| S71910 ACE/P4A | AC = Угол контакта 25 градусов. |
| S71910 ACB/P4A | AC = Угол контакта 25 градусов. |
| S71910 CE/HCP4A | P4 = Точность размеров и вращения соответствуют классу точности 4 ISO. |
| 71910 ACB/HCP4A | AC = Угол контакта 25 градусов. |
| HC71910-E-T-P4S | E = (AC-SKF) = 25 градусов угол контакта. T = (сегмент TB-Cage) = текстильная слоистая Фенольный смола, направленная по наружному кольцу. сепаратор подходит для длительной эксплуатации при температуре до 100 градусов C. P = Литой сепаратор из стеклонаполненного полиамида 6,6, центрируемый по телам качения. |
| 71910 ACD/HCP4A | ACD = Угол контакта 25 градусов. |
| 71910 ACE/HCP4A | AC = Угол контакта 25 градусов. |
| HS71910-C-T-P4S | Высокоскоростной шпиндельный подшипник. T = Нейлоновая клетка, армированная стекловолокном (радиальные роликовые подшипники). P = Литой сепаратор из стеклонаполненного полиамида 6,6, центрируемый по телам качения. |
| HS71910-E-T-P4S | Высокоскоростной шпиндельный подшипник. E = (AC-SKF) = 25 градусов угол контакта. T = (сегмент TB-Cage) = текстильная слоистая Фенольный смола, направленная по наружному кольцу. сепаратор подходит для длительной эксплуатации при температуре до 100 градусов C. P = Литой сепаратор из стеклонаполненного полиамида 6,6, центрируемый по телам качения. |
| 71910 ACE/P4AH1 | AC = Угол контакта 25 градусов. |
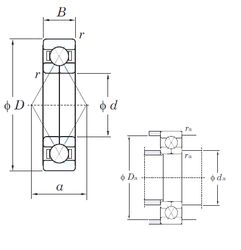
Габаритные размеры
Размеры и геометрические характеристики
Нагрузка и ресурс
Отклонение, точность вращения
Присоединительные размеры
Прочие характеристики
Подшипник однорядный шариковый радиальный 61910 (CRAFT, CX, FAG, IBC, ISB)
Подшипник однорядный шариковый радиальный 61910ZZ (CRAFT, CX, IBC, ISO)
Подшипник однорядный шариковый радиальный 619102Z (IBC, NKE, ZEN)
Подшипник шариковый радиальный однорядный 1000910
Подшипник роликовый радиальный с короткими цилиндрическими роликами без бортов на наружном кольце 1002910
Подшипник роликовый радиальный с короткими цилиндрическими роликами без бортов на внутреннем кольце 1032910