Главная > Однорядные >B71907 E.T.P4S.UL

B71907 E.T.P4S.UL — Подшипник шариковый однорядный радиально-упорный, импортное производство по ISO стандарту, размер 35x55x10 номер основного исполнения 71907.
Производитель: FAG.
E = 25 градусов угол контакта. T = текстильная слоистая фенольная смола, направленная по наружному кольцу. Клетка подходит для длительной эксплуатации при температуре до 100 градусов C. P4S = (4S = Прецизионный сегмент) / (P4A = SKF) = (MMV = FAF) = Граничные размеры ISO 4. UL = одиночный подшипник, универсальный, легкая предварительная нагрузка.
Цена от:2 317 р.
Цена на подшипник зависит от:
| Обозначение | Модификация |
|---|---|
| 71907 | Основное конструктивное исполнение. |
| B71907 | |
| 71907 C | С = Необслуживаемые концы стержней, внутренняя резьба. |
| HS71907 | |
| 71907 A | A = внутренняя модификация конструкции. |
| 71907 CDB | С = Необслуживаемые концы стержней, внутренняя резьба. |
| 71907 CDF | Комплект подшипников расположенных лицом к лицу, дуплексная Х-образная пара. |
| 71907 CDT | С = Необслуживаемые концы стержней, внутренняя резьба. |
| 71907 C-UX | С = Необслуживаемые концы стержней, внутренняя резьба. |
| 71907 C-UD | С = Необслуживаемые концы стержней, внутренняя резьба. |
| 71907 C-UO | С = Необслуживаемые концы стержней, внутренняя резьба. |
| 71907CVUJ74 | J = Сепаратор стальной штампованный незакалённый. Сорт стали 7. |
| 71907HVUJ74 | J = Сепаратор стальной штампованный незакалённый. Сорт стали 7. |
| 71907 ATBP4 | ТВ = текстолитовый сепаратор, центрируемый по внутреннему кольцу. |
| 71907 CTBP4 | ТВ = текстолитовый сепаратор, центрируемый по внутреннему кольцу. |
| 71907CVQUJ74 | J = Сепаратор стальной штампованный незакалённый. Сорт стали 7. |
| 71907CVDUJ74 | DU = (RS1-SKF) = Уплотнительное контактное уплотнение из акрилонитрил-бутадиеновой резины (NBR) из листовой стали на одной стороне подшипника. |
| 71907HVDUJ74 | DU = (RS1-SKF) = Уплотнительное контактное уплотнение из акрилонитрил-бутадиеновой резины (NBR) из листовой стали на одной стороне подшипника. |
| 71907 CE/P4A | P4 = Точность размеров и вращения соответствуют классу точности 4 ISO. |
| 71907 CD/P4A | CD = 15 градусов угол контакта. P4 = Точность размеров и вращения соответствуют классу точности 4 ISO. |
| 71907 CB/P4A | P4 = Точность размеров и вращения соответствуют классу точности 4 ISO. |
| 71907 CE/P4AL | P4 = Точность размеров и вращения соответствуют классу точности 4 ISO. |
| 71907 CE/P4AH | P4 = Точность размеров и вращения соответствуют классу точности 4 ISO. |
| 71907 ACE/P4A | AC = Угол контакта 25 градусов. |
| 71907 CDGA.P4 | P4 = Точность размеров и вращения соответствуют классу точности 4 ISO. |
| S71907 CE/P4A | P4 = Точность размеров и вращения соответствуют классу точности 4 ISO. |
| S71907 CD/P4A | CD = 15 градусов угол контакта. P4 = Точность размеров и вращения соответствуют классу точности 4 ISO. |
| 71907 ACD/P4A | ACD = Угол контакта 25 градусов. P4 = Точность конструкции P4, точность хода P4. |
| 71907 ACB/P4A | AC = Угол контакта 25 градусов. |
| S71907 CB/P4A | P4 = Точность размеров и вращения соответствуют классу точности 4 ISO. |
| ML71907HVUJ74S | J = Сепаратор стальной штампованный незакалённый. Сорт стали 7. |
| ML71907CVUJ74S | J = Сепаратор стальной штампованный незакалённый. Сорт стали 7. |
| 71907 CD/HCP4A | P4 = Точность размеров и вращения соответствуют классу точности 4 ISO. |
| S71907 ACD/P4A | ACD = Угол контакта 25 градусов. P4 = Точность конструкции P4, точность хода P4. |
| 71907 ACE/P4AL | AC = Угол контакта 25 градусов. |
| S71907 ACB/P4A | AC = Угол контакта 25 градусов. |
| 71907 CB/HCP4A | P4 = Точность размеров и вращения соответствуют классу точности 4 ISO. |
| 71907 CE/HCP4A | P4 = Точность размеров и вращения соответствуют классу точности 4 ISO. |
| S71907 ACE/P4A | AC = Угол контакта 25 градусов. |
| B71907-E-T-P4S | E = (AC-SKF) = 25 градусов угол контакта. T = (сегмент TB-Cage) = текстильная слоистая Фенольный смола, направленная по наружному кольцу. сепаратор подходит для длительной эксплуатации при температуре до 100 градусов C. P = Литой сепаратор из стеклонаполненного полиамида 6,6, центрируемый по телам качения. |
| B71907-C-T-P4S | T = Нейлоновая клетка, армированная стекловолокном (радиальные роликовые подшипники). P = Литой сепаратор из стеклонаполненного полиамида 6,6, центрируемый по телам качения. |
| 71907 ACE/P4AH | AC = Угол контакта 25 градусов. |
| HS71907-C-T-P4S | Высокоскоростной шпиндельный подшипник. T = Нейлоновая клетка, армированная стекловолокном (радиальные роликовые подшипники). P = Литой сепаратор из стеклонаполненного полиамида 6,6, центрируемый по телам качения. |
| HS71907-E-T-P4S | Высокоскоростной шпиндельный подшипник. E = (AC-SKF) = 25 градусов угол контакта. T = (сегмент TB-Cage) = текстильная слоистая Фенольный смола, направленная по наружному кольцу. сепаратор подходит для длительной эксплуатации при температуре до 100 градусов C. P = Литой сепаратор из стеклонаполненного полиамида 6,6, центрируемый по телам качения. |
| 71907 CE/HCP4AL | P4 = Точность размеров и вращения соответствуют классу точности 4 ISO. |
| ML71907CVDUJ74S | DU = (RS1-SKF) = Уплотнительное контактное уплотнение из акрилонитрил-бутадиеновой резины (NBR) из листовой стали на одной стороне подшипника. |
| ML71907HVDUJ74S | H = 25 градусов угол контакта. V = ламинированная Фенольный сепаратор с центром на наружном кольце. DU = угловой контакт подшипники в сборе с двумя подшипниками, может быть подобран DB, DF или ЮТ. J74 = точность размеров и хода по классу допуска Iso 4 (более точный, чем P5) -Abec7, 7 = легкая предварительная нагрузка. |
| MLE71907CVUJ74S | J = Сепаратор стальной штампованный незакалённый. Сорт стали 7. |
| MLE71907HVUJ74S | J = Сепаратор стальной штампованный незакалённый. Сорт стали 7. |
| 71907 ACD/HCP4A | ACD = Угол контакта 25 градусов. |
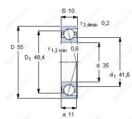
Габаритные размеры
Конструкция и исполнение
Подшипник однорядный шариковый радиальный 61907 (CRAFT, CX, FAG, IBC, ISB)
Подшипник шариковый радиальный однорядный 1000907
Подшипник шариковый радиально-упорный однорядный неразъемный со скосом на наружном кольце 1036907
Подшипник однорядный шариковый радиальный 61907 C3 (IBC)
Подшипник однорядный шариковый радиальный 61907 2RS (CRAFT, CX, IBC, ISB, ISO)