Главная > Подшипники> Шариковые> Радиально-упорные>B71900-E-2RSD-T-P4S

B71900-E-2RSD-T-P4S — Подшипник шпиндельный, импортное производство по ISO стандарту, размер 10x22x6 номер основного исполнения .
Производитель: FAG.
Е = Увеличенная грузоподъемность. 2RS = шарикоподшипники с двухсторонним контактным уплотнением исполнения RS.
Цена от:1 642 р.
Цена на подшипник зависит от:
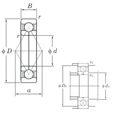
Габаритные размеры
Размеры и геометрические характеристики
Нагрузка и ресурс
Отклонение, точность вращения
Присоединительные размеры
Прочие характеристики
Подшипник однорядный шариковый радиальный 61900 (CRAFT, CX, FAG, ISB, ISO)
Подшипник однорядный шариковый радиальный 619002RS1 (FAG, SKF)
Подшипник однорядный шариковый радиальный 619002Z (FAG, NKE, SKF, ZEN)
Подшипник шариковый радиальный 06-1000900 ЮТП (ГПЗ-4)