Главная > Подшипники> Шариковые> Радиально-упорные>B7020-E-2RSD-T-P4S

B7020-E-2RSD-T-P4S — Подшипник шпиндельный, импортное производство по ISO стандарту, размер 100x150x24 номер основного исполнения 7020.
Производитель: FAG.
Е = Увеличенная грузоподъемность. 2RS = шарикоподшипники с двухсторонним контактным уплотнением исполнения RS.
Цена от:9 865 р.
Цена на подшипник зависит от:
| Обозначение | Модификация |
|---|---|
| 7020 | Основное конструктивное исполнение. |
| B7020 | |
| 7020 A | A = внутренняя модификация конструкции. |
| HS7020 | |
| 7020DF | Комплект подшипников расположенных лицом к лицу, дуплексная Х-образная пара. |
| 7020DT | T = Механически обработанный сепаратор из текстолита, центрируемый по телам качения. |
| 7020DB | D = профиль наружного кольца, усовершенствованный, с увеличенной зоной несущей нагрузки и оптимизированными краевыми переходами. |
| 7020AC | AC = Угол контакта 25 градусов. |
| 7020 C | С = Необслуживаемые концы стержней, внутренняя резьба. |
| 7020 B | B = однокомпонентное ребристое внутреннее кольцо. |
| H7020C | С = Необслуживаемые концы стержней, внутренняя резьба. |
| H7020AC | AC = Угол контакта 25 градусов. |
| 7020CDT | С = Необслуживаемые концы стержней, внутренняя резьба. |
| 7020CPA | С = Необслуживаемые концы стержней, внутренняя резьба. |
| 7020CDF | Комплект подшипников расположенных лицом к лицу, дуплексная Х-образная пара. |
| 7020 ADB | A = Модифицированная внутренняя конструкция. DB = два однорядных радиальных шарикоподшипника, однорядные радиально-упорные шарикоподшипники или однорядные конические роликовые подшипники, подходящие для монтажа в расположении друг к другу. |
| 7020 BDF | B = 40 градусов угол контакта. DF = Два однорядных радиальных шарикоподшипника, однорядных радиально-упорных шарикоподшипника или однорядных конических роликоподшипника, согласованные для монтажа по Х-образной схеме. |
| 7020 BDB | B = 40 градусов угол контакта. DB = два однорядных радиальных шарикоподшипника, однорядные радиально-упорные шарикоподшипники или однорядные конические роликовые подшипники, подходящие для монтажа в расположении друг за другом. |
| 7020 BDT | BD = Модифицированная внутренняя конструкция, угол контакта α = 30 градусов, без отверстия для заполнения. |
| 7020 ADT | T = Механически обработанный сепаратор из текстолита, центрируемый по телам качения. |
| 7020 CDB | С = Необслуживаемые концы стержней, внутренняя резьба. |
| 7020 ADF | Комплект подшипников расположенных лицом к лицу, дуплексная Х-образная пара. |
| 7020 C-UX | С = Необслуживаемые концы стержней, внутренняя резьба. |
| 7020 B-UX | X = Внешние размеры, соответствующие международным стандартам. |
| 7020 B-UO | B = однокомпонентное ребристое внутреннее кольцо. |
| 7020 A-UD | A = внутренняя модификация конструкции. |
| 7020 A-UX | A = внутренняя модификация конструкции. |
| 7020 C-UO | С = Необслуживаемые концы стержней, внутренняя резьба. |
| 7020 B-UD | D = профиль наружного кольца, усовершенствованный, с увеличенной зоной несущей нагрузки и оптимизированными краевыми переходами. |
| 7020 C-UD | С = Необслуживаемые концы стержней, внутренняя резьба. |
| 7020 A-UO | A = внутренняя модификация конструкции. |
| 7020CTRSU | С = Необслуживаемые концы стержней, внутренняя резьба. |
| H7020C/HQ1 | С = Необслуживаемые концы стержней, внутренняя резьба. |
| 7020A5TRSU | Угол контакта 25 градусов. |
| 7020CVUJ74 | J = Сепаратор стальной штампованный незакалённый. Сорт стали 7. |
| 7020 CTBP4 | ТВ = текстолитовый сепаратор, центрируемый по внутреннему кольцу. |
| 7020HVUJ74 | J = Сепаратор стальной штампованный незакалённый. Сорт стали 7. |
| 7020 ATBP4 | ТВ = текстолитовый сепаратор, центрируемый по внутреннему кольцу. |
| 7020HVDUJ74 | DU = (RS1-SKF) = Уплотнительное контактное уплотнение из акрилонитрил-бутадиеновой резины (NBR) из листовой стали на одной стороне подшипника. |
| 7020 CE/P4A | P4 = Точность размеров и вращения соответствуют классу точности 4 ISO. |
| 7020 CD/P4A | CD = 15 градусов угол контакта. P4 = Точность размеров и вращения соответствуют классу точности 4 ISO. |
| 7020CG/GLP4 | P4 = Точность размеров и вращения соответствуют классу точности 4 ISO. |
| 7020 CB/P4A | P4 = Точность размеров и вращения соответствуют классу точности 4 ISO. |
| 7020CVDUJ74 | DU = (RS1-SKF) = Уплотнительное контактное уплотнение из акрилонитрил-бутадиеновой резины (NBR) из листовой стали на одной стороне подшипника. |
| H7020AC/HQ1 | AC = Угол контакта 25 градусов. |
| 7020 CD/P4AL | CD = 15 градусов угол контакта. P4 = Точность размеров и вращения соответствуют классу точности 4 ISO. |
| 7020 CB/P4AL | P4 = Точность размеров и вращения соответствуют классу точности 4 ISO. |
| 7020 ACE/P4A | AC = Угол контакта 25 градусов. |
| 7020CDB/GNP4 | GN = нормальная предварительная нагрузка. P = Литой сепаратор из стеклонаполненного полиамида 6,6, центрируемый по телам качения. |
| 7020 ACD/P4A | ACD = Угол контакта 25 градусов. P4 = Точность конструкции P4, точность хода P4. |
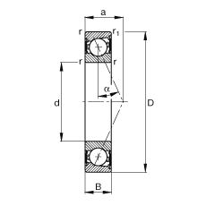
Габаритные размеры
Размеры и геометрические характеристики
Нагрузка и ресурс
Отклонение, точность вращения
Присоединительные размеры
Прочие характеристики
Однорядный цилиндрический роликовый подшипник NU1020 (CX, CYSD, FBJ, ISB, ISO)
Однорядный цилиндрический роликовый подшипник NU1020 M.C3 (NKE)
Однорядный цилиндрический роликовый подшипник NU1020 M1 (FAG, NKE)
Однорядный цилиндрический роликовый подшипник NU1020 M1.C3 (NKE)
Однорядный цилиндрический роликовый подшипник NU1020 ML.C3 (NKE)
Подшипник однорядный шариковый радиальный 6020 (AST, CRAFT, CX, CYSD, FAG)