Главная > Подшипники> Шариковые> Радиально-упорные>B7006-E-T-P4S

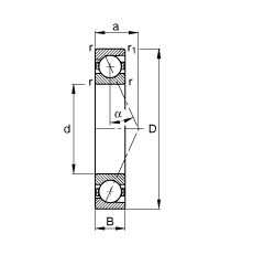
B7006-E-T-P4S — Подшипник шпиндельный, импортное производство по ISO стандарту, размер 30x55x13 номер основного исполнения 7006.
Производитель: FAG.
E = (AC-SKF) = 25 градусов угол контакта. T = (сегмент TB-Cage) = текстильная слоистая Фенольный смола, направленная по наружному кольцу. сепаратор подходит для длительной эксплуатации при температуре до 100 градусов C. P = Литой сепаратор из стеклонаполненного полиамида 6,6, центрируемый по телам качения.
Цена от:2 034 р.
Цена на подшипник зависит от:
| Обозначение | Модификация |
|---|---|
| 7006 | Основное конструктивное исполнение. |
| 7006B | B = однокомпонентное ребристое внутреннее кольцо. |
| 7006AC | AC = Угол контакта 25 градусов. |
| 7006DB | D = профиль наружного кольца, усовершенствованный, с увеличенной зоной несущей нагрузки и оптимизированными краевыми переходами. |
| 7006 A | A = внутренняя модификация конструкции. |
| 7006DF | Комплект подшипников расположенных лицом к лицу, дуплексная Х-образная пара. |
| 7006 C | С = Необслуживаемые концы стержней, внутренняя резьба. |
| 7006DT | T = Механически обработанный сепаратор из текстолита, центрируемый по телам качения. |
| NC7006V | V = Увеличенная грузоподъемность, внутренняя модификация конструкции. |
| 7006CDB | С = Необслуживаемые концы стержней, внутренняя резьба. |
| 7006CPA | С = Необслуживаемые концы стержней, внутренняя резьба. |
| 7006CDF | Комплект подшипников расположенных лицом к лицу, дуплексная Х-образная пара. |
| 7006 ADF | Комплект подшипников расположенных лицом к лицу, дуплексная Х-образная пара. |
| 7006 BDB | B = 40 градусов угол контакта. DB = два однорядных радиальных шарикоподшипника, однорядные радиально-упорные шарикоподшипники или однорядные конические роликовые подшипники, подходящие для монтажа в расположении друг за другом. |
| 7006 ADB | A = Модифицированная внутренняя конструкция. DB = два однорядных радиальных шарикоподшипника, однорядные радиально-упорные шарикоподшипники или однорядные конические роликовые подшипники, подходящие для монтажа в расположении друг к другу. |
| 7006 CDT | С = Необслуживаемые концы стержней, внутренняя резьба. |
| 7006 ADT | T = Механически обработанный сепаратор из текстолита, центрируемый по телам качения. |
| 7006 BDT | BD = Модифицированная внутренняя конструкция, угол контакта α = 30 градусов, без отверстия для заполнения. |
| 7006 BDF | B = 40 градусов угол контакта. DF = Два однорядных радиальных шарикоподшипника, однорядных радиально-упорных шарикоподшипника или однорядных конических роликоподшипника, согласованные для монтажа по Х-образной схеме. |
| 7006 B-UO | B = однокомпонентное ребристое внутреннее кольцо. |
| 7006 A-UD | A = внутренняя модификация конструкции. |
| 7006 A-UO | A = внутренняя модификация конструкции. |
| 7006CTRSU | С = Необслуживаемые концы стержней, внутренняя резьба. |
| 7006 B-UX | X = Внешние размеры, соответствующие международным стандартам. |
| 7006 C-UD | С = Необслуживаемые концы стержней, внутренняя резьба. |
| 7006 A-UX | A = внутренняя модификация конструкции. |
| 7006 C-UX | С = Необслуживаемые концы стержней, внутренняя резьба. |
| 7006 B-UD | D = профиль наружного кольца, усовершенствованный, с увеличенной зоной несущей нагрузки и оптимизированными краевыми переходами. |
| SM7006CP5 | P5 = Подшипники 5-го класса точности DIN |
| 7006 C-UO | С = Необслуживаемые концы стержней, внутренняя резьба. |
| 7006 CTBP4 | ТВ = текстолитовый сепаратор, центрируемый по внутреннему кольцу. |
| 7006CVUJ74 | J = Сепаратор стальной штампованный незакалённый. Сорт стали 7. |
| 7006-B-TVP | TVP = сегментный сепаратор, изготовленный из армированного стекловолокном полиамида PA66 направленная по роликам. |
| 7006A5TRSU | Угол контакта 25 градусов. |
| 7006HVUJ74 | J = Сепаратор стальной штампованный незакалённый. Сорт стали 7. |
| 7006 ATBP4 | ТВ = текстолитовый сепаратор, центрируемый по внутреннему кольцу. |
| 3NC 7006 FT | T = Механически обработанный сепаратор из текстолита, центрируемый по телам качения. |
| 7006CG/GNP4 | GN = нормальная предварительная нагрузка. P = Литой сепаратор из стеклонаполненного полиамида 6,6, центрируемый по телам качения. |
| 7006 CE/P4A | P4 = Точность размеров и вращения соответствуют классу точности 4 ISO. |
| 7006HVDUJ74 | DU = (RS1-SKF) = Уплотнительное контактное уплотнение из акрилонитрил-бутадиеновой резины (NBR) из листовой стали на одной стороне подшипника. |
| 7006UG/GMP4 | М = Механически обработанный латунный сепаратор, центрируемый по телам качения. P4 = Точность размеров и вращения соответствуют классу точности 4 ISO. |
| 7006UG/GNP4 | GN = нормальная предварительная нагрузка. P = Литой сепаратор из стеклонаполненного полиамида 6,6, центрируемый по телам качения. |
| 7006 CB/P4A | P4 = Точность размеров и вращения соответствуют классу точности 4 ISO. |
| 7006CVDUJ74 | DU = (RS1-SKF) = Уплотнительное контактное уплотнение из акрилонитрил-бутадиеновой резины (NBR) из листовой стали на одной стороне подшипника. |
| S7006 FW/HC | С = Необслуживаемые концы стержней, внутренняя резьба. |
| 7006 CD/P4A | CD = 15 градусов угол контакта. P4 = Точность размеров и вращения соответствуют классу точности 4 ISO. |
| 7006 CE/P4AL | P4 = Точность размеров и вращения соответствуют классу точности 4 ISO. |
| S7006 CD/P4A | CD = 15 градусов угол контакта. P4 = Точность размеров и вращения соответствуют классу точности 4 ISO. |
| S7006 CB/P4A | P4 = Точность размеров и вращения соответствуют классу точности 4 ISO. |
| 7006 ACD/P4A | ACD = Угол контакта 25 градусов. P4 = Точность конструкции P4, точность хода P4. |
Габаритные размеры
Размеры и геометрические характеристики
Нагрузка и ресурс
Отклонение, точность вращения
Присоединительные размеры
Прочие характеристики
Подшипник шариковый радиальный однорядный с двухсторонним уплотнением 180106
Подшипник шариковый радиальный однорядный 106
Подшипник шариковый радиальный однорядный с одной защитной шайбой 60106
Подшипник шариковый радиальный однорядный с двумя защитными шайбами 80106
Подшипник шариковый радиально-упорный 746106 (ГПЗ-2)
Однорядный цилиндрический роликовый подшипник NU1006 M1 (FAG)