Главная > Подшипники> Шариковые> Радиальные>B300-7

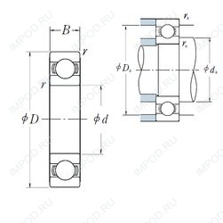
B300-7 — Радиальный шарикоподшипник, импортное производство по ISO стандарту, размер 300x360x25 номер основного исполнения .
Производитель: NSK.
Цена по запросу
Цена на подшипник зависит от:
Габаритные размеры
Размеры и геометрические характеристики
Нагрузка и ресурс
Защита
Коэффициенты для расчета
Присоединительные размеры
Конструкция и исполнение
Подшипник роликовый упорно-радиальный с четырехточечным контактом CRB 30025 (IKO, ISB)
Подшипник роликовый упорно-радиальный с четырехточечным контактом CRB 30025 UU (IKO)
Подшипник роликовый упорно-радиальный с четырехточечным контактом CRB 50040 (IKO, ISB)
Подшипник роликовый упорно-радиальный с четырехточечным контактом CRBC 30025 UU (IKO)
Подшипник роликовый опорно-поворотный RB 30025 (ISB)
Подшипник роликовый опорно-поворотный RE 30025 (ISB)