Главная > Подшипники> Шариковые> Радиальные>B250-4

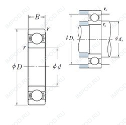
B250-4 — Радиальный шарикоподшипник, импортное производство по ISO стандарту, размер 250x330x30 номер основного исполнения .
Производитель: NSK.
Цена по запросу
Цена на подшипник зависит от:
Габаритные размеры
Размеры и геометрические характеристики
Нагрузка и ресурс
Защита
Коэффициенты для расчета
Присоединительные размеры
Конструкция и исполнение
Осевой радиально-упорный роликоподшипник 250XRN33 (NACHI)
Подшипник роликовый упорно-радиальный с четырехточечным контактом CRB 40040 (IKO, ISB)
Подшипник роликовый упорно-радиальный с четырехточечным контактом CRB 25030 (IKO, ISB)
Подшипник роликовый опорно-поворотный RB 25030 (ISB)
Подшипник роликовый опорно-поворотный RE 25030 (ISB)