Главная > Подшипники> Шариковые> Радиальные>B250-1

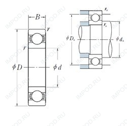
B250-1 — Радиальный шарикоподшипник, импортное производство по ISO стандарту, размер 250x340x35 номер основного исполнения .
Производитель: NSK.
Цена по запросу
Цена на подшипник зависит от:
Габаритные размеры
Размеры и геометрические характеристики
Нагрузка и ресурс
Защита
Коэффициенты для расчета
Присоединительные размеры
Конструкция и исполнение