Главная > Подшипники> Шариковые> Радиальные>B175-1

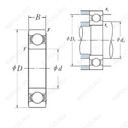
B175-1 — Радиальный шарикоподшипник, импортное производство по ISO стандарту, размер 175x290x42 номер основного исполнения .
Производитель: NSK.
Цена по запросу
Цена на подшипник зависит от:
Габаритные размеры
Размеры и геометрические характеристики
Нагрузка и ресурс
Защита
Коэффициенты для расчета
Присоединительные размеры
Конструкция и исполнение