Главная > Подшипники> Шариковые> Радиальные>B150-3

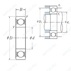
B150-3 — Радиальный шарикоподшипник, импортное производство по ISO стандарту, размер 150x200x24 номер основного исполнения .
Производитель: NSK.
Цена по запросу
Цена на подшипник зависит от:
Габаритные размеры
Размеры и геометрические характеристики
Нагрузка и ресурс
Защита
Коэффициенты для расчета
Присоединительные размеры
Конструкция и исполнение