Главная > Подшипники> Роликовые > Упорные>AXW 30 + AXK 3047

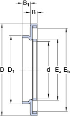
AXW 30 + AXK 3047 — Упорный игольчатый роликоподшипник с сепаратором и центрирующим фланцем, импортное производство по ISO стандарту, размер 50x30x2 номер основного исполнения .
Производитель: SKF.
X = Внешние размеры, соответствующие международным стандартам.
Цена по запросу
Цена на подшипник зависит от:
Габаритные размеры
Размеры и геометрические характеристики
Нагрузка и ресурс
Прочие характеристики