Главная > Подшипники> Комбинированные>AXN4580

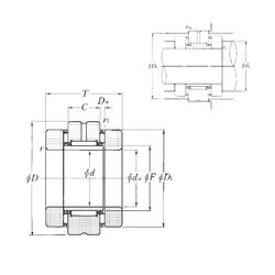
AXN4580 — импортное производство по ISO стандарту, размер 45x80x25 основное исполнение.
Производитель: NTN.
Цена по запросу
Цена на подшипник зависит от:
Габаритные размеры
Размеры и геометрические характеристики
Нагрузка и ресурс
Защита
Присоединительные размеры
Конструкция и исполнение
Подшипник роликовый радиально-упорный 87045/87080 (Gamet)
Подшипник роликовый радиально-упорный 87045/87080C (Gamet)