Главная > Подшипники> Роликовые > Игольчатые>AXK630X676X5

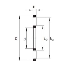
AXK630X676X5 — Игольчатый роликовый упорный подшипник, импортное производство по ISO стандарту, размер 630x676x5 номер основного исполнения .
Производитель: INA.
X = Внешние размеры, соответствующие международным стандартам.
Цена по запросу
Цена на подшипник зависит от:
Габаритные размеры
Размеры и геометрические характеристики
Нагрузка и ресурс
Защита
Конструкция и исполнение
Другие размеры