Главная > Подшипники> Роликовые > Игольчатые>AXK1130

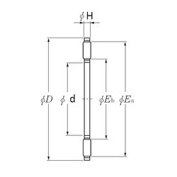
AXK1130 — Игольчатый роликовый упорный подшипник, импортное производство по ISO стандарту, размер 150x190x5 основное исполнение.
Производитель: NTN.
Цена от:1 738 р.
Цена на подшипник зависит от:
Габаритные размеры
Размеры и геометрические характеристики
Нагрузка и ресурс
Защита
Конструкция и исполнение
Другие размеры