Главная > Подшипники> Роликовые > Игольчатые>AXK1128

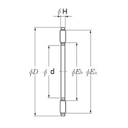
AXK1128 — Игольчатый роликовый упорный подшипник, импортное производство по ISO стандарту, размер 140x180x5 основное исполнение.
Производитель: NTN.
Цена от:1 465 р.
Цена на подшипник зависит от:
Габаритные размеры
Размеры и геометрические характеристики
Нагрузка и ресурс
Защита
Конструкция и исполнение
Другие размеры